
MILPRF19500/523D
NOTES:
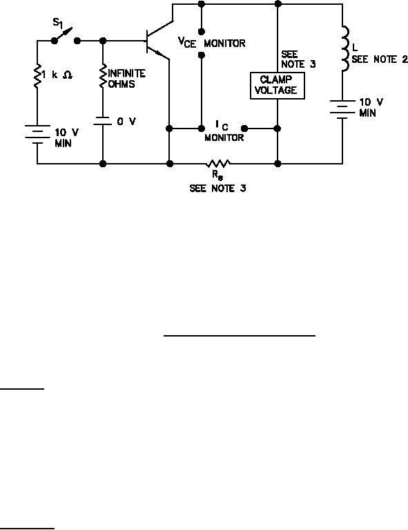
1.
Either a clamping circuit or clamping diode may be used.
2.
The coil used shall provide a minimum inductance of 1 mH at 10 A with a max dc resistance of 0.1 ohm.
RS ≤ 0.1 ohm. 12 W, 1 percent tolerance max (noninductive).
3.
4.
With switch S1 closed, set the specified test conditions.
5.
Open S1. Device fails if clamp voltage is not reached and maintained until the current returns to zero.
6.
Perform specified end point tests.
FIGURE 5. Clamped inductive sweep test circuit.
5. PACKAGING
5.1 Packaging. For acquisition purposes, the packaging requirements shall be as specified in the contract or order
(see 6.2). When packaging of materiel is to be performed by DoD or in-house contractor personnel, these personnel
need to contact the responsible packaging activity to ascertain packaging requirements. Packaging requirements are
maintained by the Inventory Control Point's packaging activities within the Military Service or Defense Agency, or
within the Military Service's system commands. Packaging data retrieval is available from the managing Military
Department's or Defense Agency's automated packaging files, CD-ROM products, or by contacting the responsible
packaging activity.
6. NOTES
(This section contains information of a general or explanatory nature that may be helpful, but is not mandatory.
The notes specified in MILPRF19500 are applicable to this specification.)
6.1 Intended use. Semiconductors conforming to this specification are intended for original equipment design
applications and logistic support of existing equipment.
15
For Parts Inquires call Parts Hangar, Inc (727) 493-0744
© Copyright 2015 Integrated Publishing, Inc.
A Service Disabled Veteran Owned Small Business