
MIL-PRF-19500P
APPENDIX A
A.3.19.6 Non-cavity double plug diode. Double plug construction where the package glass is in intimate contact
with the semiconductor die isolating the anode and cathode regions, and insuring immunity from particle related
failures. Voids may be present provided isolation (to prevent arcing) and particle immunity are insured.
A.3.19.7 Thermally matched axial leaded diodes. Diode construction with the coefficients of thermal expansion of
the die, plug, and package materials will be thermally matched such that the diodes are immune to intermittent opens
caused by thermal stress. Axial-leaded diode critical interfaces which comply with this definition shall utilize tungsten
or molybdenum plugs.
A.3.19.8 Metallurgically bonded-thermally matched-noncavity double plug construction. Diodes meeting this
definition shall be of double plug construction utilizing tungsten or molybdenum plugs. Both sides of the diode chip
(die) shall be bonded to the corresponding plug by a category I metallurgical bond. The package shall be thermally
matched, non-cavity construction (see A.3.19.1 through A.3.19.3, A.3.19.6, and A.3.19.7). The plated silver button
contact design is not permitted.
A.3.20 Noise figure. At a selected input frequency, the noise figure is the ratio of the total noise power per unit
bandwidth (at a corresponding output frequency) delivered to the output termination, to the portion thereof contributed
at the input frequency by the input termination, whose noise temperature is standard (293°K) at all frequencies.
A.3.21 Open circuit. A circuit shall be considered as open circuited if halving the magnitude of the terminating
impedance does not produce a change in the parameter being measured greater than the specified accuracy of the
measurement.
A.3.22 Package type. A package type is a package which has the same case outline (varying only in size),
configuration, materials (including bonding, wire, or ribbon and die attach), piece parts (excluding preforms which
differ only in size), and assembly processes.
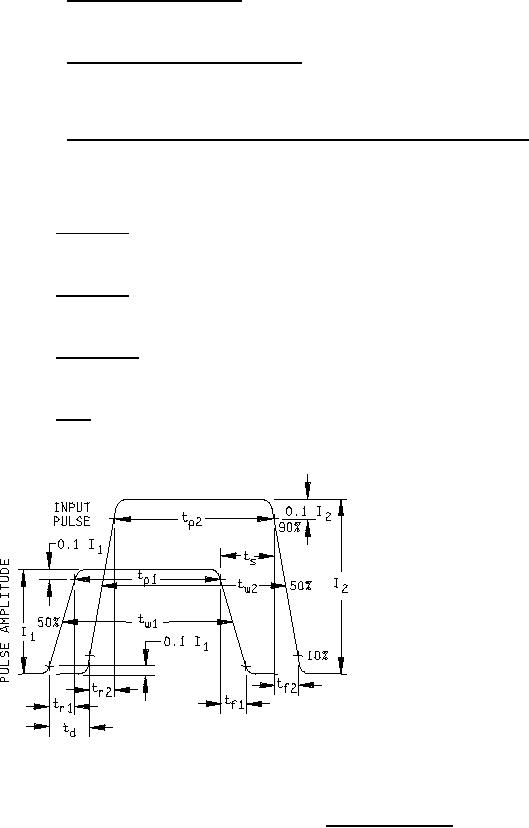
A.3.23 Pulse. A pulse is a flow of electrical energy of short duration. See figure A-1 for illustrations of the
characteristics defined in A.3.24 through A.3.29, inclusive.
tr = Pulse rise time.
td = Pulse delay time.
tp = Pulse time.
ts = Pulse storage time.
tf = Pulse fall time.
tw = Pulse average time.
I = Pulse amplitude.
NOTES:
1. Subscript 2 denotes output.
2. Subscript 1 denotes input.
FIGURE A-1. Pulse measurements.
18
For Parts Inquires call Parts Hangar, Inc (727) 493-0744
© Copyright 2015 Integrated Publishing, Inc.
A Service Disabled Veteran Owned Small Business