
MIL-PRF-19500/108L
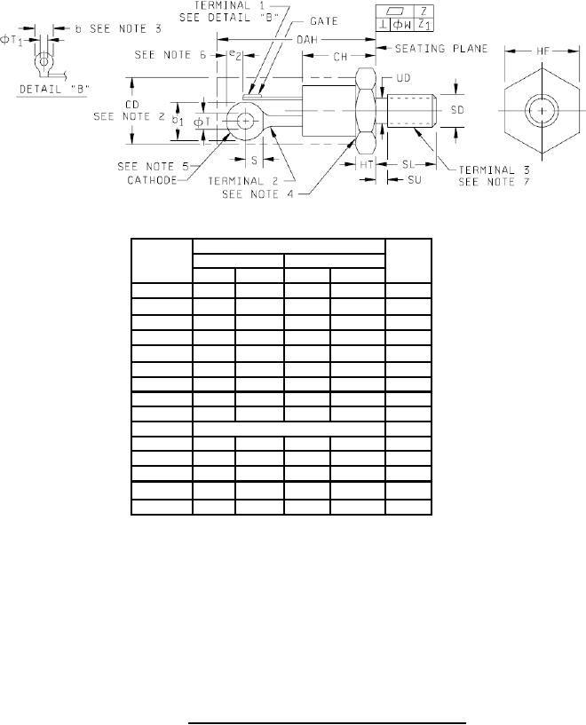
Dimensions
Symbol
Inches
Millimeters
Notes
Min
Max
Min
Max
b
.115
.139
2.92
3.53
3
b1
.210
.300
5.33
7.62
3
CD
.543
13.8
2
CH
.550
14.00
e2
.125
3.17
6
HF
.544
.563
13.8
14.3
HT
.075
.200
1.9
5.08
4
OAH
1.193
30.3
2
S
.120
3.05
3
SD
1/4 - 28 UNF 2A
SL
.422
.453
10.7
11.5
SU
.090
2.29
ΦT
.125
.165
3.17
4.19
ΦT1
.060
.075
1.52
1.9
UD
.220
.249
5.59
6.32
NOTES:
1. Dimensions are in inches. Millimeters are given for general information only.
2. Device contour, except on hex head and noted terminal dimensions, is optional within zone defined by CD and
OAH, CD not to exceed actual HF.
3. Contour and angular orientation of terminals 1 and 2 with respect to hex portion and to each other are optional.
4. Chamfer or undercut on one or both ends of the hexagonal portion are optional.
5. Square or radius on end of terminal is optional.
6. Minimum difference in terminal lengths to establish datum line for numbering terminals.
7. Dimension SD is pitch diameter of coated threads.
8. In accordance with ASME Y14.5M, diameters are equivalent to Φx symbology.
FIGURE 1. Physical dimensions (TO-208 stud, formerly TO-48).
3
For Parts Inquires call Parts Hangar, Inc (727) 493-0744
© Copyright 2015 Integrated Publishing, Inc.
A Service Disabled Veteran Owned Small Business