
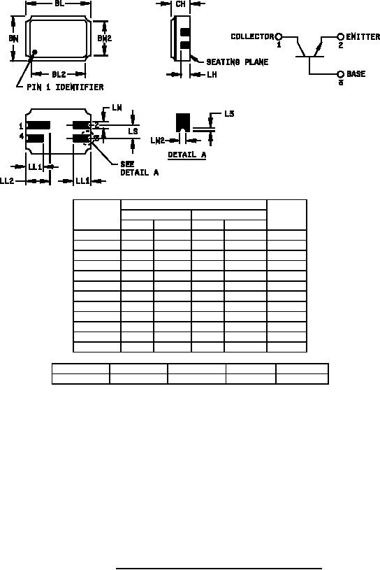
MIL-PRF-19500/255Y
UA
Dimensions
Symbol
Inches
Millimeters
Note
Min
Max
Min
Max
BL
.215
.225
5.46
5.71
BL2
.225
5.71
BW
.145
.155
3.68
3.93
BW2
.155
3.93
CH
.061
.075
1.55
1.90
3
*
L3
.003
0.08
5
LH
.029
.042
0.74
1.07
LL1
.032
.048
0.81
1.22
LL2
.072
.088
1.83
2.23
LS
.045
.055
1.14
1.39
LW
.022
.028
0.56
0.71
LW2
.006
.022
0.15
0.56
5
Pin no.
1
2
3
4
Transistor
Collector
Emitter
Base
N/C
NOTES:
1. Dimensions are in inches.
2. Millimeters are given for general information only.
3. Dimension CH controls the overall package thickness. When a window lid is used, dimension CH must increase
by a minimum of .010 inch (0.254 mm) and a maximum of .040 inch (1.020 mm).
4. The corner shape (square, notch, radius) may vary at the manufacturer's option, from that shown on the
drawing.
* 5. Dimensions LW2 minimum and L3 minimum and the appropriate castellation length define an unobstructed
three-dimensional space traversing all of the ceramic layers in which a castellation was designed.
(Castellations are required on the bottom two layers, optional on the top ceramic layer.) Dimension LW2
maximum define the maximum width of the castellation at any point on its surface. Measurement of this
dimension may be made prior to solder dipping.
6. The co-planarity deviation of all terminal contact points, as defined by the device seating plane, shall not exceed
.006 inch (0.15mm) for solder dipped leadless chip carriers.
7. In accordance with ASME Y14.5M, diameters are equivalent to φx symbology.
* FIGURE 2. Physical dimensions, surface mount (UA version).
4
For Parts Inquires call Parts Hangar, Inc (727) 493-0744
© Copyright 2015 Integrated Publishing, Inc.
A Service Disabled Veteran Owned Small Business