
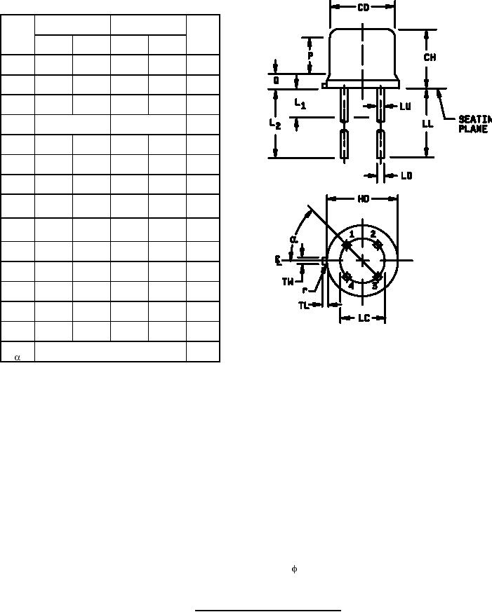
MIL-PRF-19500/302C
LTR
Inches
Millimeters
Note
Min
Max
Min
Max
CD
0.178
0.195
4.52
4.95
CH
0.170
0.210
4.32
5.33
HD
0.209
0.230
5.31
5.84
LC
0.100 TP
2.54
6
LD
0.016
0.021
0.41
0.53
7
LL
0.500
0.750
12.70
19.05
7
LU
0.016
0.019
0.41
0.48
7
0.050
1.27
7
L1
0.250
6.35
7
L2
TL
0.028
0.048
0.71
1.22
3
TW
0.036
0.046
0.91
1.17
10
P
0.100
2.54
Q
0.040
1.02
4
r
0.007
0.18
11
450 TP
6
NOTES:
1. Dimensions are in inches.
2. Metric equivalents are given for general information only.
3. Symbol TL is measured from HD maximum.
4. Details of outline in this zone are optional.
5. Symbol CD shall not vary more than 0.010 inch (0.25 mm) in zone P. This zone is controlled for automatic
handling.
6. Leads at gauge plane 0.054 inch (1.37 mm) +0.001 inch (0.03 mm) -0.000 inch (0.00 mm) below seating plane shall
be within 0.007 inch (0.18 mm) radius of TP relative to tab. Device may be measured by direct methods or by
gauge.
7. Symbol LU applies between L1 and L2. Dimension LD applies between L2 and LL minimum. Lead diameter shall
not exceed 0.042 inch (1.07 mm) within L1 and beyond LL minimum.
8. Lead designation, depending on device type, shall be as follows: 1 - emitter, 2 - base, 3 - collector, 4 - case.
9. In accordance with ANSI Y14.5M, diameters are equivalent to x symbology.
FIGURE 1. Physical dimensions (similar to TO-72).
3
For Parts Inquires call Parts Hangar, Inc (727) 493-0744
© Copyright 2015 Integrated Publishing, Inc.
A Service Disabled Veteran Owned Small Business