
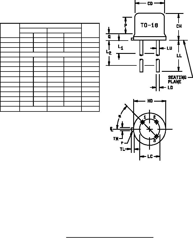
MIL-PRF-19500/317R
Dimensions
Ltr.
Inches
Millimeters
Notes
Min
Max
Min
Max
CD
.178
.195
4.52
4.95
CH
.170
.210
4.32
5.33
HD
.209
.230
5.31
5.84
LC
.100 TP
2.54 TP
6
LD
.016
.021
0.41
0.53
7,8
LL
.500
.750
12.70
19.05
7,8,13
LU
.016
.019
0.41
0.48
7,8
.050
1.27
7,8
L1
.250
6.35
7,8
L2
P
.100
2.54
5
Q
.030
0.76
5
TL
.028
.048
0.71
1.22
3,4
TW
.036
.046
0.91
1.17
3
r
.010
0.25
10
α
45° TP
45° TP
6
NOTES:
1. Dimension are in inches.
2. Millimeters are given for general information only.
3. Beyond r (radius) maximum, TH shall be held for a minimum length of .011 (0.28 mm).
4. Dimension TL measured from maximum HD.
5. Body contour optional within zone defined by HD, CD, and Q.
6. Leads at gauge plane .054 +.001 -.000 inch (1.37 +0.03 -0.00 mm) below seating plane shall be within .007 inch
(0.18 mm) radius of true position (TP) at maximum material condition (MMC) relative to tab at MMC.
7. Dimension LU applies between L1 and L2. Dimension LD applies between L2 and LL minimum. Diameter is
uncontrolled in L1 and beyond LL minimum.
8. All three leads.
9. The collector shall be internally connected to the case.
10. Dimension r (radius) applies to both inside corners of tab.
11. In accordance with ASME Y14.5M, diameters are equivalent to φx symbology.
12. Lead 1 = emitter, lead 2 = base, lead 3 = collector.
FIGURE 1. Physical dimensions TO-18 2N2369A and 2N3227.
3
For Parts Inquires call Parts Hangar, Inc (727) 493-0744
© Copyright 2015 Integrated Publishing, Inc.
A Service Disabled Veteran Owned Small Business