
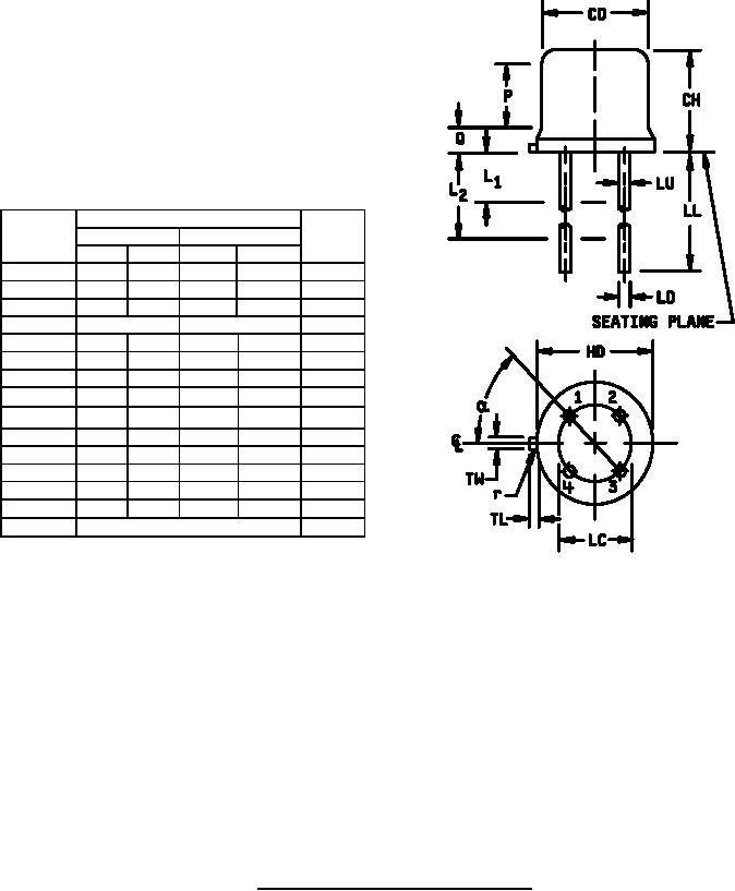
MIL-PRF-19500/343K
Dimensions
Notes
Symbol
Inches
Millimeters
Min
Max
Min
Max
CD
.178
.195
4.52
4.95
5
CH
.170
.210
4.32
5.33
HD
.209
.230
5.31
5.84
5
LC
.100 TP
2.54 TP
7,8
LD
.016
.021
.410
.533
7,8
LL
.500
.750
12.70
19.05
7,8
LU
.016
.019
.41
.48
.050
1 .27
L1
.250
6.35
L2
P
.100
2.54
Q
.040
1.02
5
TL
.028
.048
.71
1.22
TW
.036
.046
.91
1.17
r
.007
.18
α
45° TP
NOTES:
1. Dimension are in inches.
2. Millimeters are given for general information only.
3. Beyond r (radius) maximum, TH shall be held for a minimum length of .011 (0.28 mm).
4. Dimension TL measured from maximum HD.
5. Body contour optional within zone defined by HD, CD, and Q.
6. Leads at gauge plane .054 +.001 -.000 inch (1.37 +0.03 -0.00 mm) below seating plane shall be within
.007 inch (0.18mm) radius of true position (TP) at maximum material condition (MMC) relative to tab at
MMC. The device may be measured by direct methods or by the gauge and gauging procedure shown in
figure 2.
7. Dimension LU applies between L1 and L2. Dimension LD applies between L2 and LL minimum. Diameter
is uncontrolled in L1 and beyond LL minimum.
8. All four leads.
9. Dimension r (radius) applies to both inside corners of tab.
10. In accordance with ASME Y14.5M, diameters are equivalent to φx symbology.
11. Lead 1 = emitter, lead 2 = base, lead 3 = collector, lead 4 = case (electrically connected).
FIGURE 1. Physical dimensions for 2N2857, (TO-72).
3
For Parts Inquires call Parts Hangar, Inc (727) 493-0744
© Copyright 2015 Integrated Publishing, Inc.
A Service Disabled Veteran Owned Small Business