
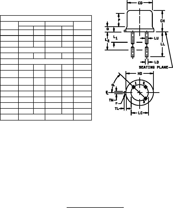
MIL-PRF-19500/349J
Dimensions
Inches
Millimeters
Symbol
Notes
Min
Max
Min
Max
CD
.305
.335
7.75
8.51
CH
.240
.260
6.10
6.60
HD
.335
.370
8.51
9.40
LC
.200 TP
5.08 TP
6
LD
.016
.021
0.41
0.53
7, 8
LL
See notes
7, 8, 11,12
LU
.016
.019
0.41
0.48
7, 8
.050
1.27
7, 8
L1
.250
6.35
7, 8
L2
P
.100
2.54
5
Q
.050
1.27
4
r
.010
0.25
10
TL
.029
.045
0.74
1.14
3
TW
.028
.034
0.71
0.86
2
45° TP
45° TP
α
6
NOTES:
1.
Dimension are in inches.
2.
Millimeters are given for general information only.
3.
Beyond r (radius) maximum, TH shall be held for a minimum length of .011 (0.28 mm).
4.
Dimension TL measured from maximum HD.
5.
Body contour optional within zone defined by HD, CD, and Q.
6.
Leads at gauge plane .054 +.001 -.000 inch (1.37 +0.03 -0.00 mm) below seating plane shall be within
.007 inch (0.18 mm) radius of true position (TP) at maximum material condition (MMC) relative to tab at
MMC.
7.
Dimension LU applies between L1 and L2. Dimension LD applies between L2 and LL minimum. Diameter
is uncontrolled in L1 and beyond LL minimum.
8.
All three leads.
9.
The collector shall be internally connected to the case.
10.
Dimension r (radius) applies to both inside corners of tab.
11.
For 2N3506L, 2N3507L, 2N3506AL, and 2N3507AL, dimension LL shall be 1.5 inches (38.1mm) minimum
and 1.75 inches (44.4 mm) maximum.
12.
For 2N3506, 2N3506A, 2N3507, and 2N3507A dimension LL shall be .5 inches (12.7mm) minimum and
.75 inches (19.0 mm) maximum.
In accordance with ASME Y14.5M, diameters are equivalent to φx symbology.
13.
14.
Lead 1 = emitter, lead 2 = base, lead 3 = collector.
FIGURE 1. Physical dimensions (similar to TO-39).
3
For Parts Inquires call Parts Hangar, Inc (727) 493-0744
© Copyright 2015 Integrated Publishing, Inc.
A Service Disabled Veteran Owned Small Business