
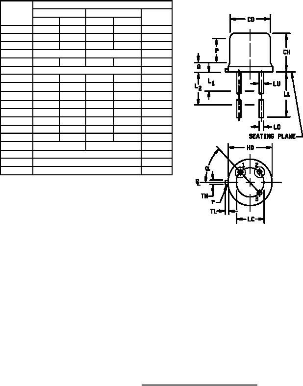
MIL-PRF-19500/357M
Dimensions
Ltr
Inches
Millimeters
Notes
Min
Max
Min
Max
CD
.305
.335
7.75
8.51
CH
.240
.260
6.10
6.60
TO-5
HD
.335
.370
8.51
9.40
TO-39
LC
.200 TYP
5.08 TYP
7
LD
.016
.021
0.41
0.53
6
LL
See notes 7, 9, and 10
LU
.016
.019
0.41
0.48
7
.050
1.27
7
L1
.250
6.35
7
L2
P
.100
2.54
5
Q
.050
1.27
r
.010
0.254
8
TL
.029
.045
0.74
1.14
4
TW
.028
.034
0.71
0.86
3
α
45° TP
45° TP
6
Term 1
Emitter
Term 2
Base
Term 3
Collector
NOTES:
1. Dimensions are in inches.
2. Millimeters are given for general information only.
3. Beyond r maximum, TW must be held to a minimum length of .021 inch (0.53 mm).
4. TL measured from maximum HD.
5. CD shall not vary more than ±.010 inch (0.25 mm) in zone P. This zone is controlled for automatic handling.
6. Leads at gauge plane .054 - .055 inch (1.37 - 1.40 mm) below seating plane shall be within .007 inch
(0.18 mm) radius of true position (TP) at a maximum material condition (MMC) relative to the tab at MMC.
The device may be measured by direct methods or by gauge and gauging procedure.
7. LU applies between L1 and L2. LD applies between L2 and L minimum. Diameter is uncontrolled in L1 and
beyond LL minimum.
8. r (radius) applies to both inside corners of tab.
9. For transistor types 2N3634 through 2N3637, LL is .500 inch (12.70 mm) minimum, and .750 inch (19.05 mm)
maximum (TO-39).
10. For transistor types 2N3634L through 2N3637L, LL is 1.500 inches (38.10 mm) minimum, and 1.750 inches
(44.45 mm) maximum (TO-5).
11. In accordance with ASME Y14.5M, diameters are equivalent to φx symbology.
FIGURE 1. Physical dimensions (TO-5 and TO-39).
3
For Parts Inquires call Parts Hangar, Inc (727) 493-0744
© Copyright 2015 Integrated Publishing, Inc.
A Service Disabled Veteran Owned Small Business