
MIL-PRF-19500/366P
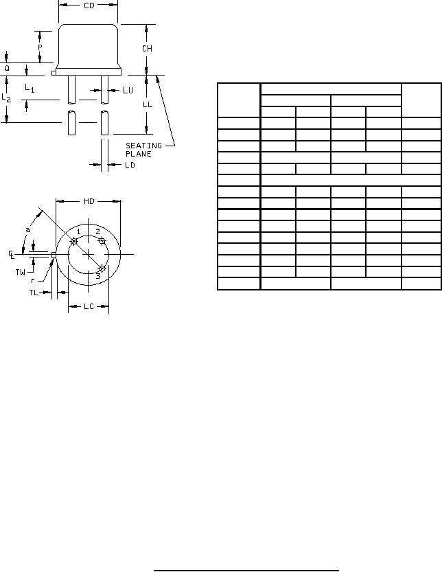
Dimensions
Symbol
Inches
Millimeters
Notes
Min
Max
Min
Max
CD
.305
.335
7.75
8.51
CH
.240
.260
6.10
6.60
HD
.335
.370
8.51
9.40
LC
.200 TP
5.08 TP
6
LD
.016
.021
0.41
0.53
7
LL
See notes 7, 12, and 13
LU
.016
.019
0.41
0.48
7, 13
L1
.050
1.27
13
L2
.250
6.35
13
TL
.029
.045
0.74
1.14
3
TW
.028
.034
0.71
0.86
10, 11
P
.100
2.54
5
Q
.050
1.27
4
r
.010
.25
11
6
α
45° TP
45° TP
NOTES:
1. Dimensions are in inches.
2. Millimeters are given for general information only.
3. Symbol TL is measured from HD maximum.
4. Details of outline in this zone are optional.
5. Symbol CD shall not vary more than .010 (0.25 mm) in zone P. This zone is controlled for automatic handling.
6. Leads at gauge plane .054 inch (1.37 mm) +.001 inch (0.03 mm) -.000 inch (0.00 mm) below seating plane
shall be within .007 inch (0.18 mm) radius of true position (TP) relative to tab. Device may be measured by
direct methods or by gauge.
7. Symbol LD applies between L1 and L2. Dimension LD applies between L2 and LL minimum. Lead diameter
shall not exceed .042 inch (1.07 mm) within L1 and beyond LL minimum.
8. Lead designation, shall be as follows: 1 - emitter, 2 - base, 3 - collector.
9. Lead number three is electrically connected to case.
10. Beyond r maximum, TW shall be held for a minimum length of .011 inch (0.28 mm).
11. Symbol r applied to both inside corners of tab.
12. For transistor types 2N3498, 2N3499, 2N3500, and 2N3501, LL = .50 inch (12.7 mm) minimum and .750 inch
(19.1 mm) maximum. For transistor types 2N3498L, 2N3499L, 2N3500L, and 2N3501L, LL = 1.50 inches
(38.1 mm) minimum and 1.750 inches (44.5 mm) maximum.
13. All three leads.
14. In accordance with ASME Y14.5M, diameters are equivalent to φx symbology.
FIGURE 1. Physical dimensions (similar to TO-5, TO-39).
3
For Parts Inquires call Parts Hangar, Inc (727) 493-0744
© Copyright 2015 Integrated Publishing, Inc.
A Service Disabled Veteran Owned Small Business