
MIL-PRF-19500/391N
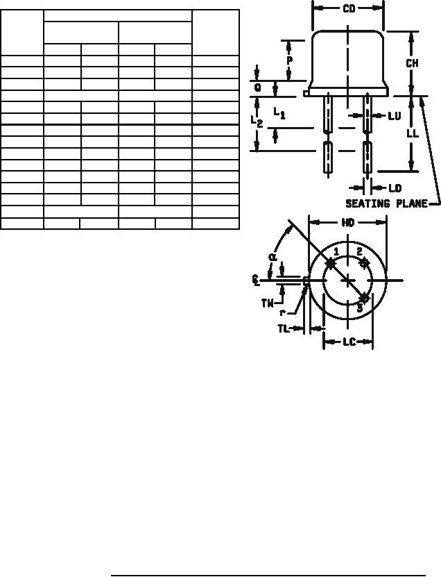
Dimensions
Symbol
Inches
Millimeters
Notes
Min
Max
Min
Max
TO-39
CD
.305
.335
7.75
8.51
CH
.240
.260
6.10
6.60
TO-5
HD
.335
.370
8.51
9.40
LC
.200 TP
5.08 TP
6
LD
.016
.021
0.41
0.53
7, 8
LL
.500
.750
12.70 19.05
7, 8, 12
LU
.016
.019
0.41
0.48
7, 8
L1
.050
1.27
7, 8
L2
.250
6.35
7, 8
Q
.050
1.27
5
TL
.029
.045
0.74
1.14
4
TW
.028
.034
0.71
0.86
3
r
.010
0.25
10
α
45° TP
45° TP
6
P
.100
2.54
NOTES:
1. Dimension are in inches.
2. Millimeters are given for general information only.
3. Beyond r (radius) maximum, TW shall be held for a minimum length of .011 (0.28 mm).
4. Dimension TL measured from maximum HD.
5. Body contour optional within zone defined by HD, CD, and Q.
6. Leads at gauge plane .054 +.001 -.000 inch (1.37 +0.03 -0.00 mm) below seating plane shall be within
.007 inch (0.18 mm) radius of true position (TP) at maximum material condition (MMC) relative to tab at
MMC. The device may be measured by direct methods.
7. Dimension LU applies between L1 and L2. Dimension LD applies between L2 and minimum. Diameter is
uncontrolled in L1 and beyond LL minimum.
8. All three leads.
9. The collector shall be internally connected to the case.
10. Dimension r (radius) applies to both inside corners of tab.
11. In accordance with ASME Y14.5M, diameters are equivalent to φx symbology.
12. For "S" suffix devices, dimension LL is 0.500 (12.70 mm) minimum, 0.750 (19.05 mm) maximum.
13. "S" suffix devices, dimension LL is 0.50 (12.70 mm) minimum, 0.75 (19.05 mm) maximum.
14. "L" suffix devices, dimension LL is 1.500 (38.10 mm) minimum, 1.750 (44.45 mm) maximum. 13.
15. Lead 1 = emitter, lead 2 = base, lead 3 = collector.
FIGURE 1. Physical dimensions for device types 2N3019 (TO-5) and 2N3019S (TO-39).
3
For Parts Inquires call Parts Hangar, Inc (727) 493-0744
© Copyright 2015 Integrated Publishing, Inc.
A Service Disabled Veteran Owned Small Business