
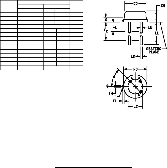
MIL-PRF-19500/396L
Dimensions
Ltr.
Inches
Millimeters
Notes
Min
Max
Min
Max
CD
.178
.195
4.52
4.95
TO-46
CH
.065
.085
1.65
2.16
HD
.209
.230
5.31
5.84
LC
.100 TP
2.54 TP
5
LD
.016
.021
0.41
0.53
LL
.500
.750
12.70 19.05
6
LU
.016
.019
0.41
0.48
6
.050
1.27
6
L1
.250
6.35
6
L2
Q
.040
1.02
3
TL
.028
.048
0.71
1.22
8
TW
.036
.046
0.91
1.17
4
r
.010
0.25
9
α
45° TP
45° TP
5
NOTES:
1. Dimensions are in inches.
2. Millimeters are given for general information only.
3. Symbol TL is measured from HD maximum.
4. Details of outline in this zone are optional.
5. Leads at gauge plane .054 inch (1.37 mm) +.001 inch (0.03 mm) -.000 inch (0.00 mm) below seating plane
shall be within .007 inch (0.18 mm) radius of TP relative to tab. Device may be measured by direct
methods or by gauge.
6. Symbol LU applies between L1 and L2. Dimension LD applies between L2 and LL minimum.
7. Lead number three is electrically connected to case.
8. Beyond r maximum, TW shall be held for a minimum length of .011 inch (0.28 mm).
9. Symbol r applied to both inside corners of tab.
10. In accordance with ASME Y14.5M, diameters are equivalent to φx symbology.
11. Lead 1 is emitter, lead 2 is base, and lead 3 is collector.
FIGURE 2. Physical dimensions - 2N3764 and 2N3765 (TO-46).
4
For Parts Inquires call Parts Hangar, Inc (727) 493-0744
© Copyright 2015 Integrated Publishing, Inc.
A Service Disabled Veteran Owned Small Business