
MIL-PRF-19500/399F
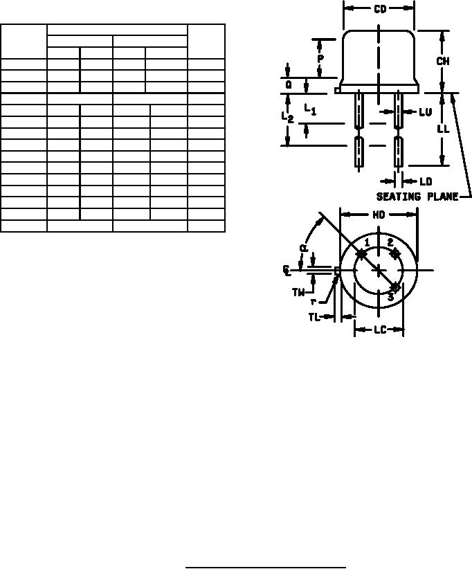
Dimensions
Symbol
Inches
Millimeters
Note
Min
Max
Min
Max
CD
.178
.195
4.52
4.95
CH
.170
.210
4.32
5.33
HD
.209
.230
5.31
5.84
LC
.100 TP
2.54 TP
6
LD
.016
.021
0.41
0.53
7,11
LL
.500
.750
12.70 19.05
7
LU
.016
.019
0.41
0.48
12
L1
.050
1.27
7
L2
.250
6.35
7
P
.100
2.54
5
Q
.040
1.02
4
TL
.028
.048
0.71
1.22
3
TW
.036
.046
0.91
1.17
9
r
.010
0.25
10
6
α
45° TP
45° TP
NOTES:
1. Dimensions are in inches.
2. Millimeters are given for general information only.
3. Symbol TL is measured from HD maximum.
4. Details of outline in this zone are optional.
5. Symbol CD shall not vary more than .010 (0.25 mm) in zone P. This zone is controlled for automatic
handling.
6. Leads at gauge plane .054 inch (1.37 mm) +.001 inch (0.03 mm) -.000 inch (0.00 mm) below seating
plane shall be within .007 inch (0.18 mm) radius of true position (TP) relative to tab. Device may be
measured by direct methods or by gauge.
7. Symbol LD applies between L1 and L2. Dimension LD applies between L2 and LL minimum.
8. Lead number three is electrically connected to case.
9. Beyond r maximum, TW shall be held for a minimum length of .011 inch (0.28 mm).
10. Symbol r applied to both inside corners of tab.
11. Measured in a zone beyond .250 (6.35 mm) from the seating plane.
12. Measured in the zone between .050 (1.27 mm) and .250 (6.35 mm) from the seating plane.
13. In accordance with ASME Y14.5M, diameters are equivalent to φx symbology.
14. Lead 1 is emitter, lead 2 is base, and case is collector.
FIGURE 1. Physical dimensions (similar to TO-18).
3
For Parts Inquires call Parts Hangar, Inc (727) 493-0744
© Copyright 2015 Integrated Publishing, Inc.
A Service Disabled Veteran Owned Small Business