
MIL-PRF-19500/412F
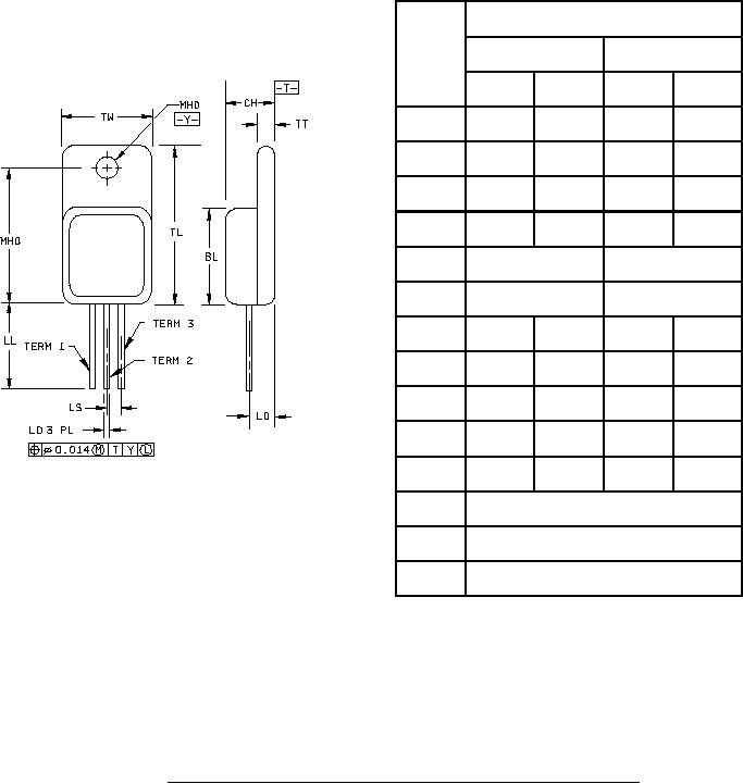
Dimensions
Ltr
Inches
Millimeters
Min
Max
Min
Max
BL
.535
.545
13.59
13.84
CH
.249
.260
6.32
6.60
LD
.035
.045
0.89
1.14
LL
.510
.570
12.95
14.48
LO
.150 BSC
3.81 BSC
LS
.150 BSC
3.81 BSC
MHD
.139
.149
3.53
3.78
MHO
.665
.685
16.89
17.40
TL
.790
.800
20.07
20.32
TT
.040
.050
1.02
1.27
TW
.535
.545
13.59
13.84
Term 1
Base
Term 2
Collector
Term 3
Emitter
NOTES:
1. Dimensions are in inches.
2. Millimeters are given for general information only.
3. Methods used for electrical isolation of the terminals feedthroughs shall employ materials that contain a
minimum of 90 percent AL2O3 (ceramic).
4. All terminals are isolated from case.
5. In accordance with ASME Y14.5M, diameters are equivalent to φx symbology.
FIGURE 2. Dimensions and configuration for 2N3846T1 and 2N3847T1 (TO-254AA).
4
For Parts Inquires call Parts Hangar, Inc (727) 493-0744
© Copyright 2015 Integrated Publishing, Inc.
A Service Disabled Veteran Owned Small Business