
MIL-PRF-19500/433H
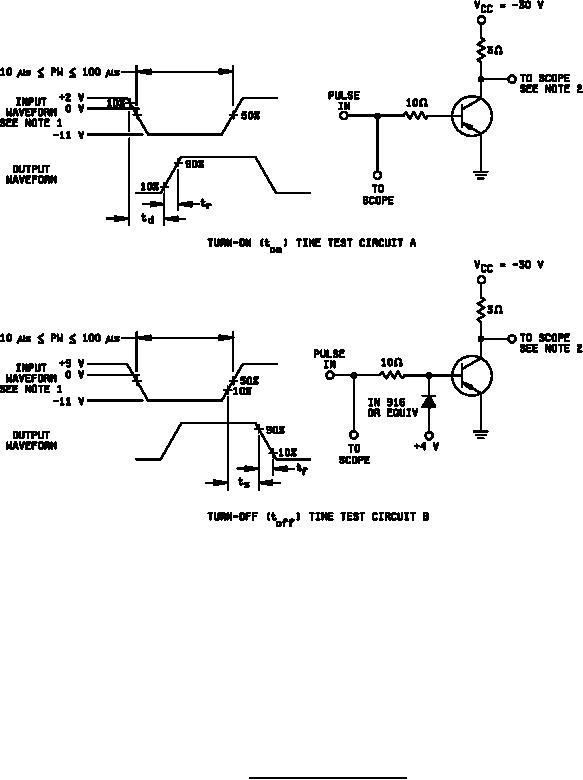
NOTES:
1. The input waveform is supplied by a pulse generator with the following characteristics:
tr ≤ 20 µs, tf ≤ 1µs, 10µs ≤ PW ≤ 100µs, ZOUT = 50Ω, duty cycle ≤ 2 percent.
2. Output waveforms are monitored on an oscilloscope with the following characteristics:
tr ≤ 2 µs, ZIN ≥ 100 kΩ, CIN ≤ 12 pF.
3. Test circuit A for td and tr; test circuit B for ts and tf.
4. ton = td +tr, toff = ts +tf
FIGURE 2. Pulse response test circuit.
13
For Parts Inquires call Parts Hangar, Inc (727) 493-0744
© Copyright 2015 Integrated Publishing, Inc.
A Service Disabled Veteran Owned Small Business