
MIL-PRF-19500/435M
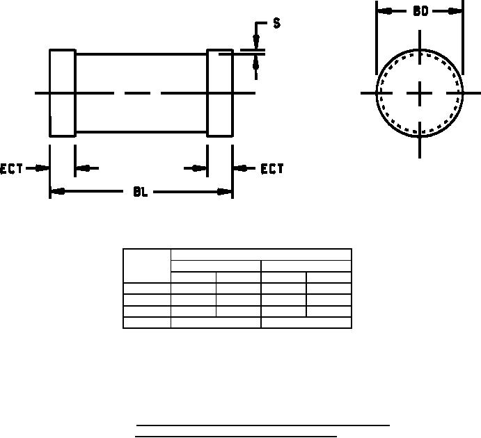
Dimensions
Inches
Millimeters
Symbol
Min
Max
Min
Max
BD
.063
.067
1.60
1.70
ECT
.016
.022
0.41
0.56
BL
.130
.146
3.30
3.71
S
.001 min
0.03 min
NOTES:
1. Dimensions are in inches.
2. Millimeter equivalents are given for general information only.
3. In accordance with ASME Y14.5M, diameters are equivalent to Φx symbology.
FIGURE 2. Physical dimensions 1N4099UR-1 through 1N4135UR-1 and
1N4614UR-1 through 1N4627UR-1 (DO-213AA).
4
For Parts Inquires call Parts Hangar, Inc (727) 493-0744
© Copyright 2015 Integrated Publishing, Inc.
A Service Disabled Veteran Owned Small Business