
MIL-PRF-19500/439H
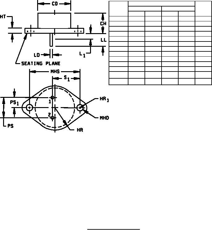
Symbol
Dimension
Notes
Inches
Millimeters
Min
Max
Min
Max
CD
.875
22.22
TO-3
CH
.270
.380
6.86
9.65
HR
.495
.525
12.57 13.33
4
HR1
.131
.188
3.33
4.78
4
HT
.060
.135
1.52
3.43
LD
.038
.053
0.97
1.35
4, 6
LL
.312
.500
7.92
12.70
L1
.050
1.27
6
MHD
.151
.165
3.84
4.19
4
MHS
1.177 1.197 29.90 30.40
PS
.420
.440
10.67 11.18
3
.205
.225
5.21
5.72
3
PS1
.655
.675
16.64
17.15
S1
NOTES:
1. Dimensions are in inches.
2. Millimeters are given for general information only.
3. These dimensions should be measured at points .050 - .055 inch (1.27 mm - 1.40 mm) below seating plane.
When gauge is not used, measurement will be made at seating plane.
4. Two places.
5. The seating plane of the header shall be flat within .001 inch (0.03 mm) inside a .930 inch (23.62 mm) diameter
circle on the center of the header and flat within .001 inch (0.03 mm) concave to .006 inch (0.15 mm) convex
overall.
6. Lead diameter shall not exceed twice LD within L1.
7. Terminal 1 is emitter; terminal 2 is base; case is collector.
FIGURE 1. Physical dimensions, (TO-3).
2
For Parts Inquires call Parts Hangar, Inc (727) 493-0744
© Copyright 2015 Integrated Publishing, Inc.
A Service Disabled Veteran Owned Small Business