
MIL-PRF-19500/464G
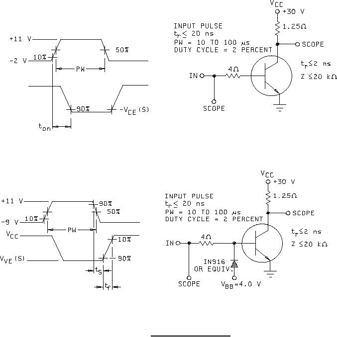
TURN-ON (tON) TIME TEST CIRCUIT
toff = ts + tf
TURN-OFF (tOFF) TIME TEST CIRCUIT
FIGURE 2. Switching time test circuits.
12
For Parts Inquires call Parts Hangar, Inc (727) 493-0744
© Copyright 2015 Integrated Publishing, Inc.
A Service Disabled Veteran Owned Small Business