
MIL-PRF-19500/476F
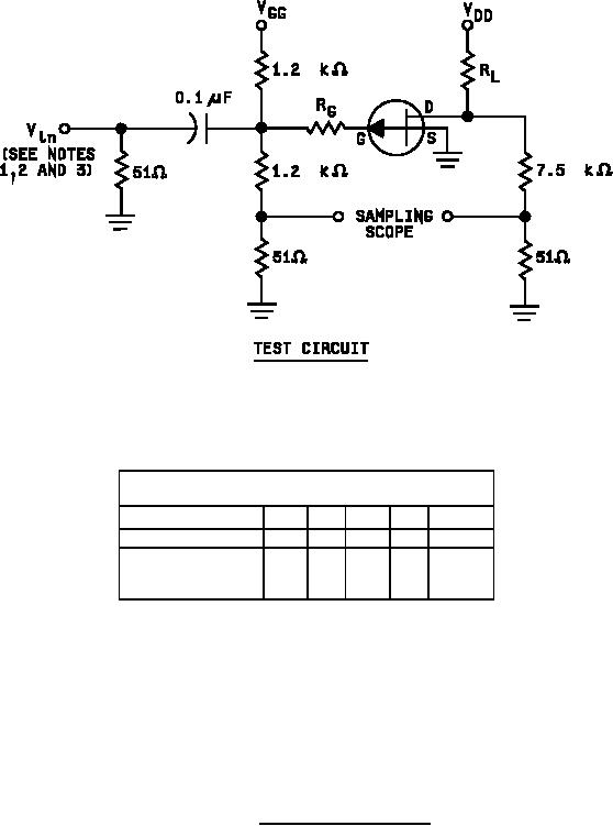
Test conditions and component value
Type
VDD VGG RL
RG
ID(ON) (1)
V dc V dc ohms ohms µA dc
2N5114, 2N5114UB
-10 20 430 100
-15
2N5115, 2N5115UB -6.0 12 910 220
-7.0
2N5116, 2N5116UB -6.0 8.0 2,000 390
-3.0
(1) Nominal value; exact value varies slightly with transistor parameters.
NOTES:
1. The input waveform has the following characteristics: tp = 100 ns; tr ≤ 1 ns; tf ≤ 1 ns;
duty cycle ≈ 2 percent. It is supplied by a generator with Zout = 50 ohms.
2. Resistor tolerance is ± 10 percent.
3. Voltage limits for the Vin voltage (input switching levels) are as follows:
2N5114, 2N5114UB
Vin. = 11 V dc (from 0 v to -11 V dc signal level).
2N5115, 2N5115UB
Vin. = 7 V dc (from 0 v to -7 V dc signal level).
2N5116, 2N5116UB
Vin. = 5 V dc (from 0 v to -5 V dc signal level).
FIGURE 3. Switching time test circuit.
11
For Parts Inquires call Parts Hangar, Inc (727) 493-0744
© Copyright 2015 Integrated Publishing, Inc.
A Service Disabled Veteran Owned Small Business