
MIL-PRF-19500/498E
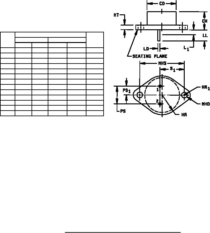
TO-3
Dimensions
Ltr
Inches
Millimeters
Notes
Min
Max
Min
Max
CD
.875
22.22
3
CH
.250
.450
6.35
11.43
HR
.495
.525
12.57
13.34
HR1
.131
.188
3.33
4.78
6
HT
.060
.135
1.52
3.43
L1
.050
1.27
5, 9
LD
.038
.043
0.97
1.09
4, 5, 9
LL
.312
.500
7.92
12.70
4, 5, 9
MHD
.151
.165
3.84
4.19
7
MHS
1.177 1.197
29.90
30.40
PS
.420
.440
10.67
11.18
PS1
.205
.225
5.21
5.72
5
S1
.655
.675
16.64
17.14
Notes:
1. Dimensions are in inches.
2. Millimeters are given for general information only.
3. Body contour is optional within zone defined by CD
4. These dimensions shall be measured at points .050 inch (1.27 mm) to .055 inch (1.40 mm) below seating
plane. When gauge is not used, measurement shall be made at seating plane.
5. Both terminals.
6. At both ends.
7. Two holes.
8. Terminal 1 is the emitter, terminal 2 is base. The collector shall be electrically connected to the case.
* 9. LD applies between L1 and LL. Lead diameter shall not exceed twice LD within L1.
* 10. In accordance with ASME Y14.5M, diameters are equivalent to φx symbology.
11. The seating plane of the header shall be flat within .001 inch (0.03 mm) concave to .004 inch (0.10 mm)
convex inside a .930 inch (23.62 mm) diameter circle on the center of the header and flat within .001 inch
(0.03 mm) concave to 0.006 inch (0.15 mm) convex overall.
* FIGURE 1. Physical dimensions for 2N6306 and 2N6308 (similar to TO-3).
4
For Parts Inquires call Parts Hangar, Inc (727) 493-0744
© Copyright 2015 Integrated Publishing, Inc.
A Service Disabled Veteran Owned Small Business