
MILPRF19500/502G
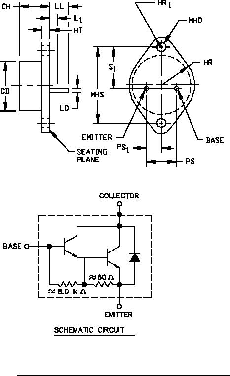
* FIGURE 1. Physical dimensions and schematic circuit (TO204AA, similar to TO3).
3
For Parts Inquires call Parts Hangar, Inc (727) 493-0744
© Copyright 2015 Integrated Publishing, Inc.
A Service Disabled Veteran Owned Small Business