
MIL-PRF-19500/505E
NOTES:
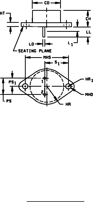
1. Dimensions are in inches.
2. Millimeters are given for general information only.
3. Body contour is optional within zone defined by CD
4. These dimensions shall be measured at points .050 inch (1.27 mm) to .055 inch (1.40 mm) below
seating plane.
5. Both terminals.
6. At both ends.
7. Two holes.
8. Terminal 1 is the emitter, terminal 2 is base. The collector shall be electrically connected to the case.
9. LD applies between L1 and LL. Diameter is uncontrolled in L1.
10. In accordance with ASME Y14.5M, diameters are equivalent to x symbology.
FIGURE 1. Physical dimensions (similar to TO-3).
3
For Parts Inquires call Parts Hangar, Inc (727) 493-0744
© Copyright 2015 Integrated Publishing, Inc.
A Service Disabled Veteran Owned Small Business