
MIL-PRF-19500/514D
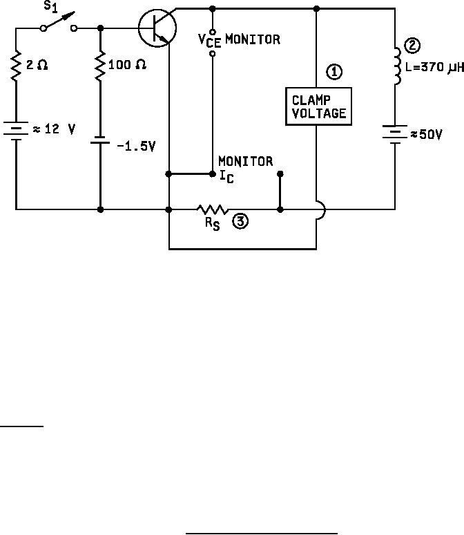
NOTES:
1. Either a clamping circuit or clamping diode may be used.
2. The coil used shall provide a minimum inductance of 370 µH at 50 A with a maximum dc resistance of .15 Ω.
For reference only: Miller type 7827; or equivalent.
3. RS ≤ .1 ohm, 12 W, 1 percent tolerance maximum, (noninductive).
Procedure:
1. With switch S1 closed, set the specified test conditions.
2. Open S1. Device fails if clamp voltage not reached and maintained until the current returns to zero.
3. Perform specified endpoint tests.
FIGURE 5. Clamped inductive sweep test circuit.
15
For Parts Inquires call Parts Hangar, Inc (727) 493-0744
© Copyright 2015 Integrated Publishing, Inc.
A Service Disabled Veteran Owned Small Business