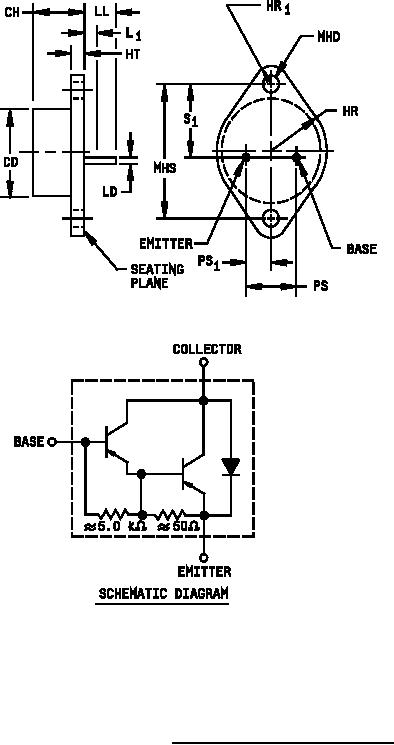
MIL-PRF-19500-527 Semiconductor Device, Darlington Transistor, Pnp, Silicon, Power, Types 2N6648, 2N6649, And 2N6650 Jan, Jantx, And JantxvThis specification covers the performance requirements for PNP silicon, darlington power transistor. Three levels of product assurance are provided as specified in MIL-PRF-19500.