
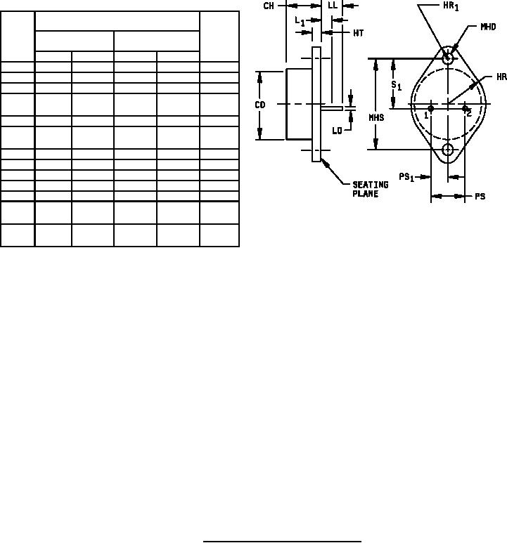
MIL-PRF-19500/528B
Dimensions
Ltr
Notes
Inches
Millimeters
Min
Max
Min
Max
CD
.875
22.22
3
CH
.250
.450
6.35
11.43
HR
.495
.525
12.57
13.34
.131
.188
3.33
4.78
HR1
HT
.050
.135
1.27
3.43
.050
1.27
5, 9
L1
LD
.059
.061
1.50
1.55
5, 9
LL
.312
7.92
5
MHD
.151
.161
3.84
4.09
7
MHS
1.177
1.197
29.90
30.40
PS
.420
.440
10.67
11.18
4
.205
.225
5.21
5.72
4, 5
PS1
.655
.675
16.64
17.14
4
S1
NOTES:
1. Dimensions are in inches.
* 2. Millimeters are given for general information only.
3. Body contour is optional within zone defined by CD.
4. These dimensions shall be measured at points .050 (1.27 mm) to .055 (1.40 mm) below seating plane. When
gauge is not
used, measurement shall be made at seating plane.
5. Both terminals.
6. At both ends.
7. Two holes.
8. Terminal 1 is the emitter, terminal 2 is base. The collector shall be electrically connected to the case.
* 9. LD applies between L1 and LL. Lead diameter shall not exceed twice LD within L1.
10. In accordance with ASME Y14.5M, diameters are equivalent to x symbology.
* FIGURE 1. Physical dimensions (similar to TO-3).
3
For Parts Inquires call Parts Hangar, Inc (727) 493-0744
© Copyright 2015 Integrated Publishing, Inc.
A Service Disabled Veteran Owned Small Business