
MIL-PRF-19500/534G
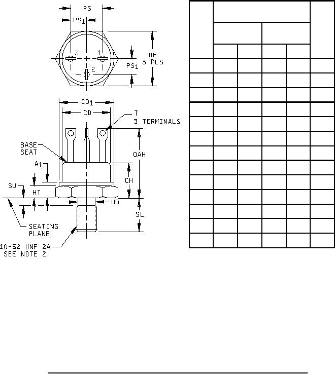
Dimension
Ltr
Inches
Millimeters
Notes
Min
Max
Min
Max
A1
.250
6.35
CD
.330
.360
8.38
9.14
CD1
.370
.437
9.40
11.10
CH
.320
.468
8.13
11.89
HF
.424
.437
10.77
11.10
HT
.090
.150
2.29
3.81
OAH
.575
.763
14.61
19.38
5
PS
.185
.215
4.70
5.46
4, 8
PS1
.090
.110
2.29
2.79
4, 8
SL
.400
.455
10.16
11.56
SU
.078
1.98
7
T
.040
.065
1.02
1.65
UD
.155
.189
3.94
4.80
NOTES:
1.
Dimensions are in inches.
2.
Millimeters are given for general information only.
3.
Reference: Screw thread standards for Federal Standard H28/1 , (FED-STD-H28/1).
4.
The orientation of the terminals in relation to the hex flats is not controlled.
5.
All three terminals.
6.
The case temperature may be measured anywhere on the seating plane within .125 inch (3.18 mm) of the
stud.
7.
Terminal spacing measured at the base seat only.
8.
This dimension applies to the location of the center line of the terminals.
9.
Terminal - 1, emitter; terminal - 2, base; terminal - 3, collector. Collector lead is isolated from the case.
10.
In accordance with ASME Y14.5M, diameters are equivalent to φx symbology.
FIGURE 1. Physical dimensions of transistor types 2N5002 and 2N5004 (T6-C, similar to TO-59).
3
For Parts Inquires call Parts Hangar, Inc (727) 493-0744
© Copyright 2015 Integrated Publishing, Inc.
A Service Disabled Veteran Owned Small Business