
MIL-PRF-19500/564H
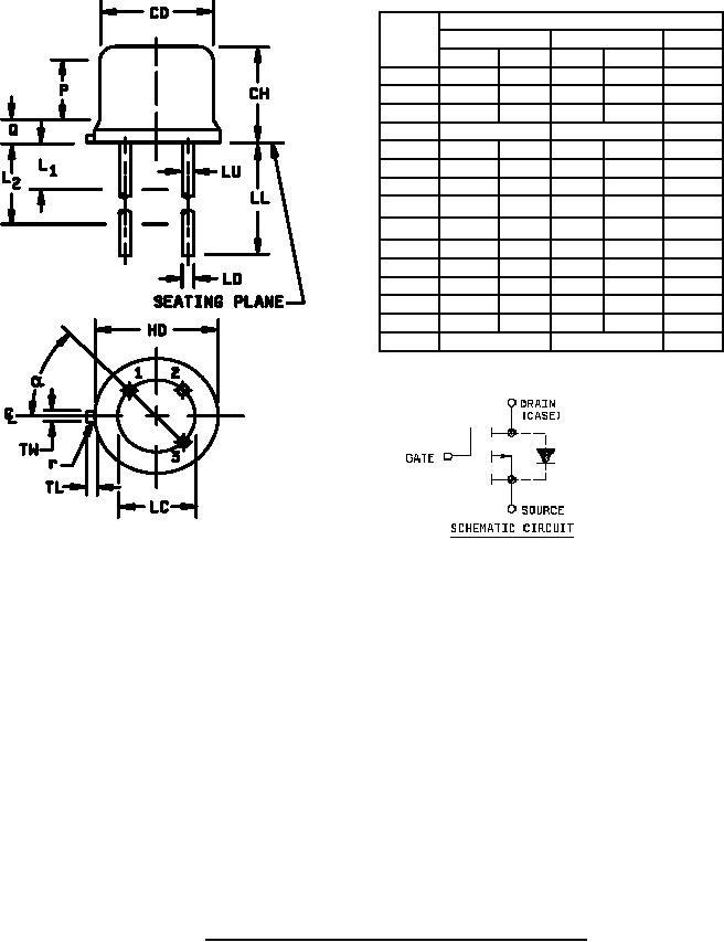
Dimensions
Ltr
Inches
Millimeters
Notes
Min
Max
Min
Max
CD
.305
.335
7.75
8.51
CH
.160
.180
4.07
4.57
HD
.335
.370
8.51
9.39
LC
.200 TP
5.08 TP
6
LD
.016
.021
0.41
0.53
7, 8
LL
.500
.750
12.7
19.05
7, 8
LU
.016
.019
0.41
0.48
7, 8
.050
1.27
7, 8
L1
.250
6.35
7, 8
L2
P
.100
2.54
5
Q
.050
1.27
4
r
.010
0.25
9
TL
.029
.045
0.74
1.14
3
TW
.028
.034
0.72
0.86
2
45 TP
45 TP
6
NOTES:
1. Dimensions are in inches. Millimeters are given for general information only.
2. Beyond radius (r) maximum, TW shall be held for a minimum length of .011 (0.28 mm).
3. Dimension TL measured from maximum HD.
4. Outline in this zone is not controlled.
5. Dimension CD shall not vary more than .010 (0.25 mm) in zone P. This zone is controlled for automatic
handling.
6. Leads at gauge plane .054 +.001, -.000 (1.37 +0.03, -0.00 mm) below seating plane shall be within .007
(0.18 mm) radius of true position (TP) at maximum material condition (MMC) relative to tab at MMC.
7. LU applies between L1 and L2. LD applies between L2 and LL minimum. Diameter is uncontrolled in L1
and beyond LL minimum.
8. All three leads.
9. Radius (r) applies to both inside corners of tab.
10. Drain is electrically connected to the case.
11. In accordance with ASME Y14.5M, diameters are equivalent to x symbology.
12. Lead 1 = source, lead 2 = gate, lead 3 = drain.
FIGURE 1. Physical dimensions for TO-205AF (2N6849 and 2N6851).
3
For Parts Inquires call Parts Hangar, Inc (727) 493-0744
© Copyright 2015 Integrated Publishing, Inc.
A Service Disabled Veteran Owned Small Business