
MIL-PRF-19500/567E
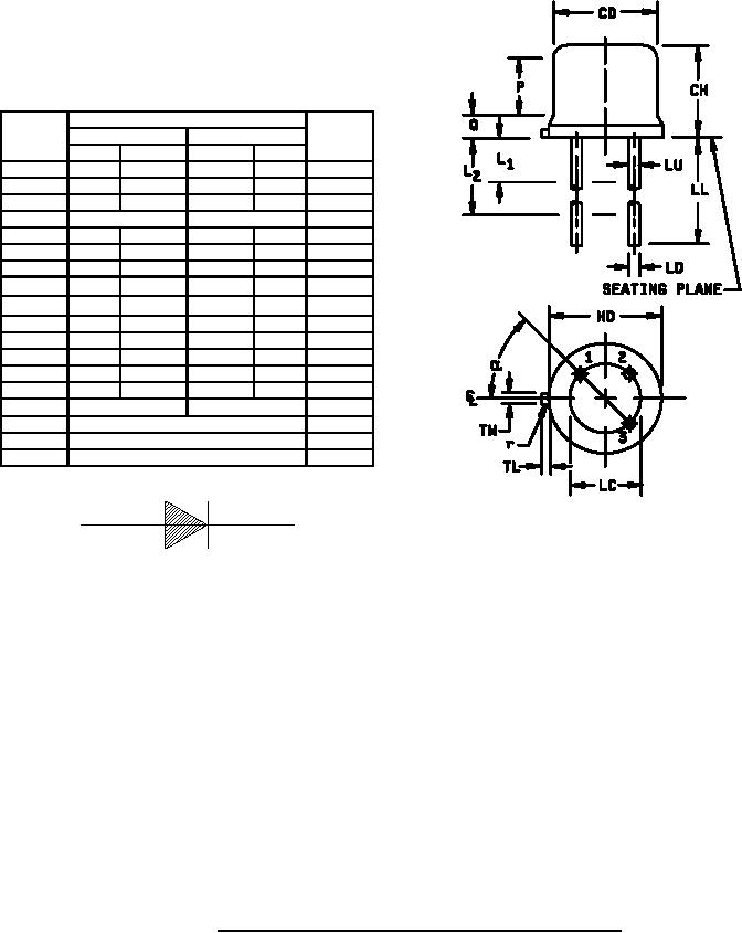
TO-39
Dimensions
Ltr
Inches
Millimeters
Notes
Min
Max
Min
Max
CD
.305
.335
7.75
8.51
CH
.160
.180
4.07
4.57
HD
.335
.370
8.51
9.40
LC
.200 TP
5.08 TP
7
LD
.016
.021
0.41
0.53
8, 9
LL
.500
.750
12.7
19.05
8, 9
LU
.016
.019
0.41
0.48
8, 9
L1
.050
1.27
8, 9
L2
.250
6.35
8, 9
P
.100
2.54
6
Q
.040
1.02
5
r
.010
0.254
10
TL
.029
.045
0.74
1.14
TW
.028
.034
0.72
0.86
45° TP
45° TP
α
7
Term 1
Anode
Term 2
Open (no connection)
Term 3
Cathode (case)
1
3
NOTES:
1. Dimensions are in inches.
2. Millimeters are given for general information only.
3. Beyond radius (r) maximum, TW shall be held for a minimum length of .011 inch (0.279 mm).
4. Dimension TL measured from maximum HD.
5. Outline in this zone is not controlled.
6. Dimension CD shall not vary more than .010 inch (0.25 mm) in zone P. This zone is controlled for
automatic handling.
7. Leads at gauge plane .054 +.001, -.000 inch (1.37 +0.03, -0.00 mm) below seating plane shall be within
.007 inch (0.18 mm) radius of true position (TP) at maximum material condition (MMC) relative to tab at
MMC. The device may be measured by direct methods.
8. LU applies between L1 and L2. LD applies between L2 and LL minimum. Diameter is uncontrolled in L1
and beyond LL minimum.
9. All three leads.
10. Radius (r) applies to both inside corners of tab.
11. Cathode is electrically connected to the case.
12. In accordance with ASME Y14.5M, diameters are equivalent to Φx symbology.
FIGURE 1. Physical dimensions (TO-205AF - formerly low profile TO-39).
3
For Parts Inquires call Parts Hangar, Inc (727) 493-0744
© Copyright 2015 Integrated Publishing, Inc.
A Service Disabled Veteran Owned Small Business