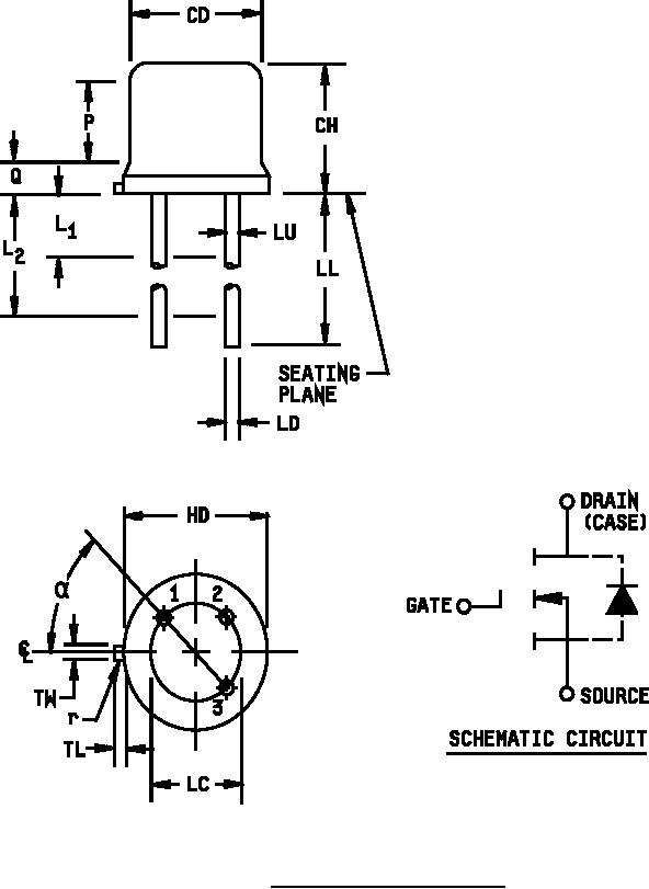
MIL-PRF-19500-570 Semiconductor Device, Transistor, Field Effect, N-Channel, Silicon Logic-Level, Types 2N6901 And 2N6903, Jan, Jantx, Jantxv, Jans, Janhc, And JankcThis specification covers the performance requirements for a logic-level N-channel, enhancement-mode, MOSFET, power transistor. Four levels of product assurance are provided for each device type as specified in MIL-PRF-19500. Two levels of product assurance are also provided for each unencapsulated device type. See 6.4 or JANHC and JANKC die versions.