
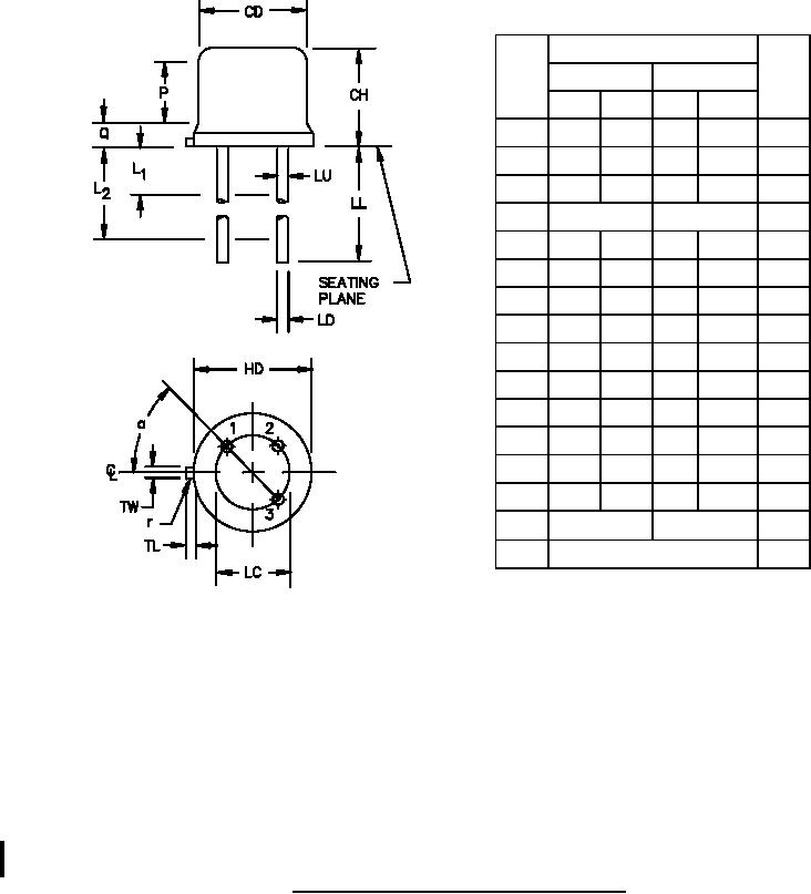
MILPRF19500/581C
Dimensions
Ltr
Inches
Millimeters
Notes
Min
Max
Min
Max
CD
.305
.355
7.75
9.02
CH
.240
.260
6.10
6.60
HD
.335
.370
8.51
9.40
LC
.200 TP
5.08TP
3
LD
.016
.021
0.41
0.53
4
LL
.500
.750
12.70
19.05
4
LU
.016
.019
0.41
0.48
4
L1
.050
1.27
4
L2
.250
6.35
4
TL
.029
.045
0.74
1.14
5
TW
.028
.034
0.71
0.86
6
P
.100
2.54
7
Q
.050
1.27
8
R
.010
0.25
9
α
45° TP
45° TP
3
Notes
1, 2, 8, 9
NOTES:
1. Dimensions are in inches. Millimeters are given for general information only.
2. Lead designation shall be as follows: Terminal 1 is the emitter, terminal 2 is the base, and terminal 3 is the
collector. Lead number three is electrically connected to case.
3. Leads at gauge plane .054 inch (1.37 mm) +.001 inch (0.03 mm) -.000 inch (0.00 mm) below seating plane
shall be within .007 inch (0.18 mm) radius of true position (TP) relative to tab. Device may be measured by
direct methods or by gauge.
4. Dimension LD applies between L1 and L2. Dimension LD applies between dimension L2 and LL minimum.
5. Dimension TL is measured from dimension HD maximum.
6. Beyond dimension r maximum, dimension TW shall be held for a minimum length of .011 inch (0.28 mm).
7. Dimension CD shall not vary more than .010 inch (0.25 mm) in zone P. This zone is controlled for
automatic handling.
8. Details of outline in this zone are optional.
9. Dimension r applied to both inside corners of tab.
10. In accordance with ASME Y14.5M, diameters are equivalent to φx symbology.
FIGURE 1. Physical dimensions (TO205AD formerly TO39).
3
For Parts Inquires call Parts Hangar, Inc (727) 493-0744
© Copyright 2015 Integrated Publishing, Inc.
A Service Disabled Veteran Owned Small Business