
MILPRF19500/586L
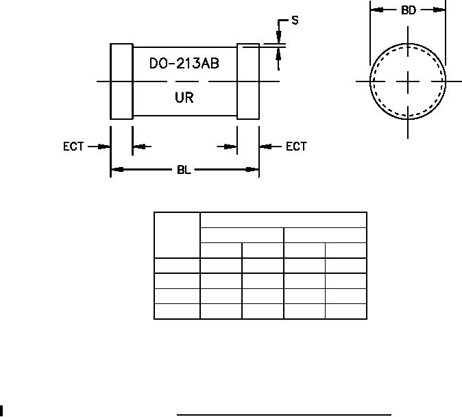
Dimensions
Inches
Millimeters
Symbol
Min
Max
Min
Max
BD
.094
.105
2.39
2.67
BL
.189
.205
4.80
5.21
ECT
.016
.022
0.41
0.56
S
.001
0.03
NOTES:
1. Dimensions are in inches. Millimeters are given for general information only.
2. In accordance with ASME Y14.5M, diameters are equivalent to Φx symbology.
Types 1N5817UR1, 1N5819UR1, and 1N6761UR1
FIGURE 2. Physical dimensions for MELF devices (DO213AB).
4
For Parts Inquires call Parts Hangar, Inc (727) 493-0744
© Copyright 2015 Integrated Publishing, Inc.
A Service Disabled Veteran Owned Small Business