
MIL-PRF-19500/588A
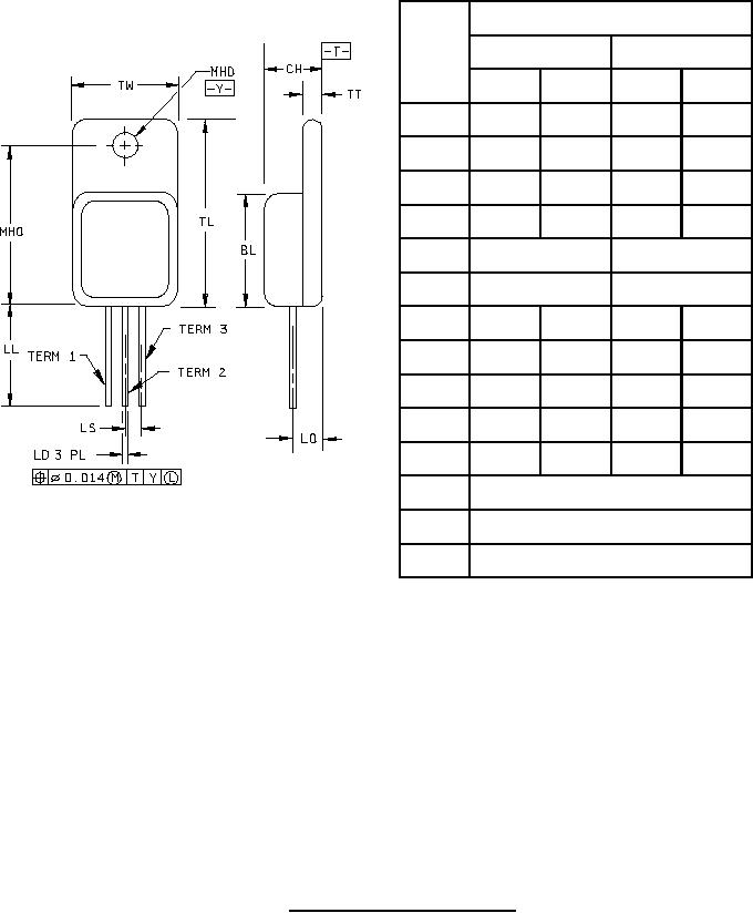
Dimensions
Ltr
Inches
Millimeters
Min
Max
Min
Max
BL
.535
.545
13.59
13.89
CH
.249
.260
6.32
6.60
LD
.035
.045
0.89
1.43
LL
.530
.550
13.46
13.97
LO
.150 BSC
3.81 BSC
LS
.150 BSC
3.81 BSC
MHD
.139
.149
3.53
3.78
MHO
.665
.685
16.89
17.40
TL
.790
.800
20.07
20.32
TT
.040
.050
1.02
1.27
TW
.535
.545
13.59
13.89
Term 1
Drain
Term 2
Source
Term 3
Gate
NOTES:
1. Dimensions are in inches.
2. Metric equivalents are given for general information only.
3. Metric equivalents are in parentheses.
4. Refer to applicable symbol list.
5. Glass meniscus included in dimensions TL and TW.
FIGURE 1. Dimensions and configuration (TO-254).
3
For Parts Inquires call Parts Hangar, Inc (727) 493-0744
© Copyright 2015 Integrated Publishing, Inc.
A Service Disabled Veteran Owned Small Business