
MIL-PRF-19500/589A
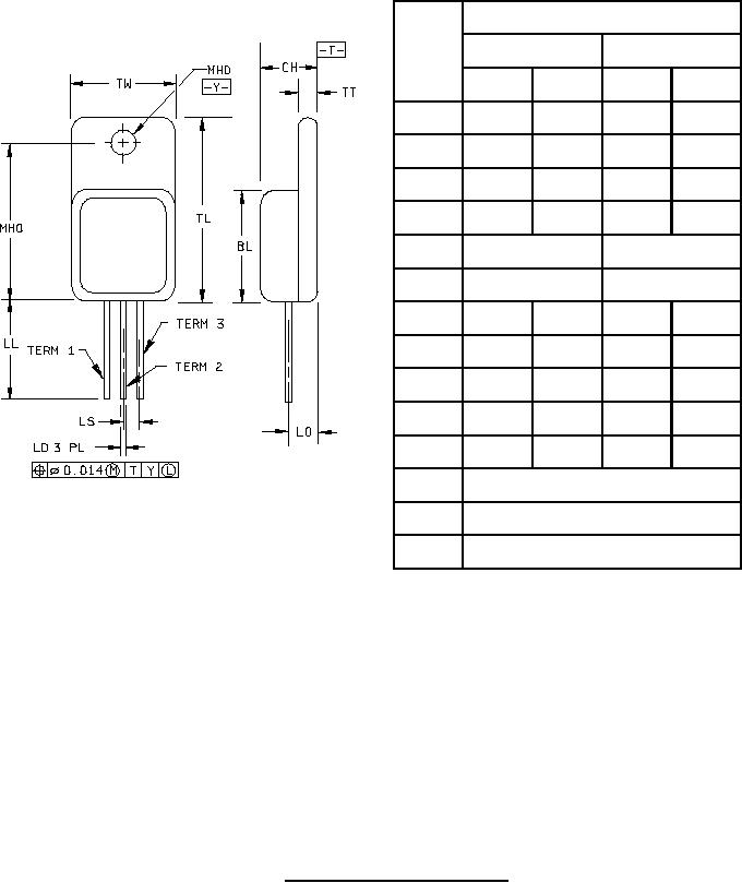
Dimensions
Ltr
Inches
Millimeters
Min
Max
Min
Max
BL
.530
.550
13.46
13.97
CH
.240
.270
6.10
6.86
LD
.035
.045
0.89
1.43
LL
.500
.750
12.7
19.05
LO
.140 BSC
3.56 BSC
LS
.200 BSC
5.08 BSC
MHD
.155
.165
3.94
4.91
MHO
.697
.707
17.70
17.96
TL
.815
.835
20.70
21.21
TT
.035
.045
0.89
1.14
TW
.685
.695
17.40
17.65
Term 1
Collector
Term 2
Emitter
Term 3
Gate
NOTES:
1. Dimensions are in inches.
2. Metric equivalents are given for general information only.
3. Metric equivalents are in parentheses.
4. Refer to applicable symbol list.
5. Glass meniscus included in dimensions TL and TW.
FIGURE 1. Dimensions and configuration (TO-258).
3
For Parts Inquires call Parts Hangar, Inc (727) 493-0744
© Copyright 2015 Integrated Publishing, Inc.
A Service Disabled Veteran Owned Small Business