
MIL-PRF-19500/596K
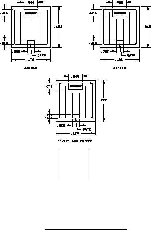
Inches
mm
Inches
mm
Inches
mm
.018
0.46
.037
0.94
.162
4.11
.020
0.51
.042
1.07
.170
4.32
.025
0.64
.049
1.24
.192
4.88
.027
0.69
.060
1.52
.219
5.56
.029
0.74
.063
1.60
.227
5.77
NOTES:
1. Dimensions are in inches.
2. Millimeters are given for general information only.
3. Unless otherwise specified, tolerance is ±.005 inch (0.13 mm).
4. The physical characteristics of the die thickness are .0187 inch (0.475 mm). The back metals
are chromium, nickel, and silver. The top metal is aluminum and the back contact is the drain.
5. In accordance with ASME Y14.5M, diameters are equivalent to φx symbology.
6. See 6.4 for ordering information.
FIGURE 3. JANHC and JANKC (A-version) die dimensions.
5
For Parts Inquires call Parts Hangar, Inc (727) 493-0744
© Copyright 2015 Integrated Publishing, Inc.
A Service Disabled Veteran Owned Small Business