
MIL-PRF-19500/601K
18
1
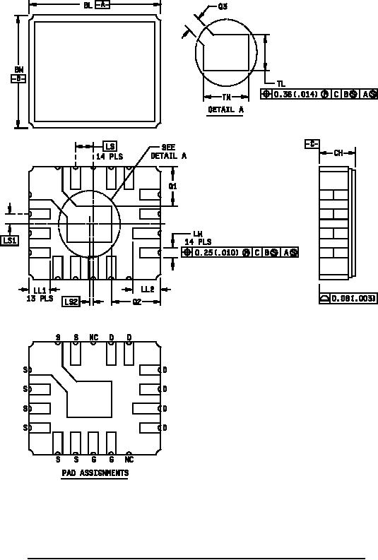
FIGURE 2. Physical dimensions for LCC (2N7261U, 2N7261U5, 2N7262U, and 2N7262U5).
3
For Parts Inquires call Parts Hangar, Inc (727) 493-0744
© Copyright 2015 Integrated Publishing, Inc.
A Service Disabled Veteran Owned Small Business