
MIL-PRF-19500/604B
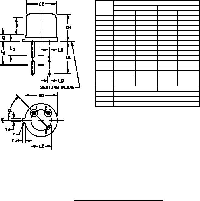
Dimensions
Ltr
Inches
Millimeters
Min
Max
Min
Max
CD
.315
.335
8.01
8.50
CH
.160
.180
4.07
4.57
HD
.350
.370
8.89
9.39
LC
.190
.210
4.83
5.33
LD
.016
.023
0.41
0.58
LL
.500
.560
12.7
14.22
LU
.016
.021
0.41
0.53
L1
.050
1.27
L2
.250
6.35
P
.100
2.54
Q
.040
1.02
r
.010
0.018
TL
.029
.045
0.74
1.14
TW
.028
.034
0.72
0.86
α
45° TP
45° TP
Term 1
Source
Term 2
Gate
Term 3
Drain
NOTES:
1. Dimensions are in inches.
2. Millimeters are given for general information only.
3. Terminals 1 and 2 are isolated from case, terminal 3 is butt welded to stem base.
4. In accordance with ASME Y14.5M, diameters are equivalent to φx symbology.
* FIGURE 1. Dimensions and configuration (similar to TO-205).
3
For Parts Inquires call Parts Hangar, Inc (727) 493-0744
© Copyright 2015 Integrated Publishing, Inc.
A Service Disabled Veteran Owned Small Business