
MIL-PRF-19500/606B
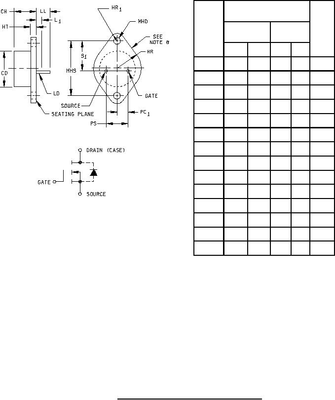
Dimensions
Notes
Symbol
Inches
Millimeters
Min
Max
Min
Max
CD
.875
22.23
CH
.250
.360
6.35
9.15
HR
.495
.525
12.57 13.34
.131
.188
3.33
4.78
HR1
HT
.060
.135
1.52
3.43
LD
.057
063
1.45
1.60
5
LD
.038
.043
0.97
1.10
6
LL
.312
.500
7.92
12.70
.050
1.27
L1
MHD
.151
.161
3.84
4.09
MHS
1.117
1.197
29.90 30.40
PS
.420
.440
10.67 11.18
1, 7
PC1
.205
.225
5.21
5.72
1, 7
NOTES:
1. Dimensions are in inches.
.655
.675 16.64 17.15
S1
*
2. Millimeters are given for general information only.
3. These dimensions should be measured at points .050 inch (1.27 mm) and .055 inch (1.40 mm)
below seating plane. When gauge is not used, measurements will be made at the seating plane.
4. The seating plane of the header shall be flat within .001 inch (0.03 mm) concave to .004 inch (0.10 mm)
convex inside a .930 inch (23.62 mm) diameter circle on the center of the header and flat within .001 inch
(0.03 mm) concave to .006 inch (0.15 mm) convex overall.
5. These dimensions pertain to the 2N7291 and 2N7293 types.
6. These dimensions pertain to the 2N7295 and 2N7297 types.
7. Mounting holes shall be deburred on the seating plane side.
8. Drain is electrically connected to the case.
9. In accordance with ASME Y14.5M, diameters are equivalent to φx symbology.
*
* FIGURE 1. Physical dimensions for TO-204 (similar to TO-3).
3
For Parts Inquires call Parts Hangar, Inc (727) 493-0744
© Copyright 2015 Integrated Publishing, Inc.
A Service Disabled Veteran Owned Small Business