
MIL-PRF-19500/608D
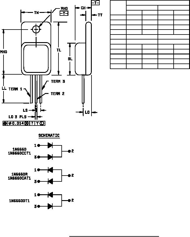
Dimensions
Ltr
Inches
Millimeters
Min
Max
Min
Max
BL
.535
.545
13.59
13.84
CH
.249
.260
6.32
6.60
LD
.035
.045
0.89
1.14
LL
.510
.570
12.95
14.48
LO
.150 BSC
3.81 BSC
LS
.150 BSC
3.81 BSC
MHD
.139
.149
3.53
3.78
MHO
.665
.685
16.89
17.40
T1
TL
.790
.800
20.07
20.32
TO-254
TT
.040
.050
1.02
1.27
TW
.535
.545
13.59
13.84
NOTES:
1. Dimensions are in inches
2. Millimeters are given for general information only.
3. All terminals are isolated from case.
4. In accordance with ASME Y14.5M, diameters are
equivalent to Φx symbology.
Die 1
Die 2
Types 1N6660, 1N6660CCT1, 1N6660R, 1N6660CAT1, and 1N6660DT1
* FIGURE 1. Physical dimensions and configuration (TO-254AA).
2
For Parts Inquires call Parts Hangar, Inc (727) 493-0744
© Copyright 2015 Integrated Publishing, Inc.
A Service Disabled Veteran Owned Small Business