
MIL-PRF-19500/615G
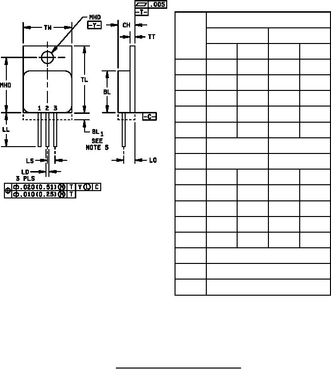
Dimensions
Ltr
Inches
Millimeters
Min
Max
Min
Max
BL
.410
.430
10.41
10.92
BL1
.028
0.71
CH
.190
.200
4.83
5.08
LD
.025
.035
0.64
0.89
LL
.500
.625
12.70
15.88
LO
.120 BSC
3.05 BSC
LS
.100 BSC
2.54 BSC
MHD
.140
.150
3.56
3.81
MHO
.527
.537
13.39
13.64
TL
.645
.665
16.38
16.89
TT
.035
.045
0.89
1.14
TW
.410
.420
10.41
10.67
Term 1
Drain
Term 2
Source
Term 3
Gate
NOTES:
1.
Dimensions are in inches.
2.
Millimeters are given for general information only.
3.
All terminals are isolated from case.
4.
This area is for the lead feed-thru eyelets (configuration is optional, but will not extend beyond this zone.
In accordance with ASME Y14.5M, diameters are equivalent to φx symbology.
5.
FIGURE 1. Dimensions and configuration (TO-257AA).
3
For Parts Inquires call Parts Hangar, Inc (727) 493-0744
© Copyright 2015 Integrated Publishing, Inc.
A Service Disabled Veteran Owned Small Business