
MIL-PRF-19500/617D
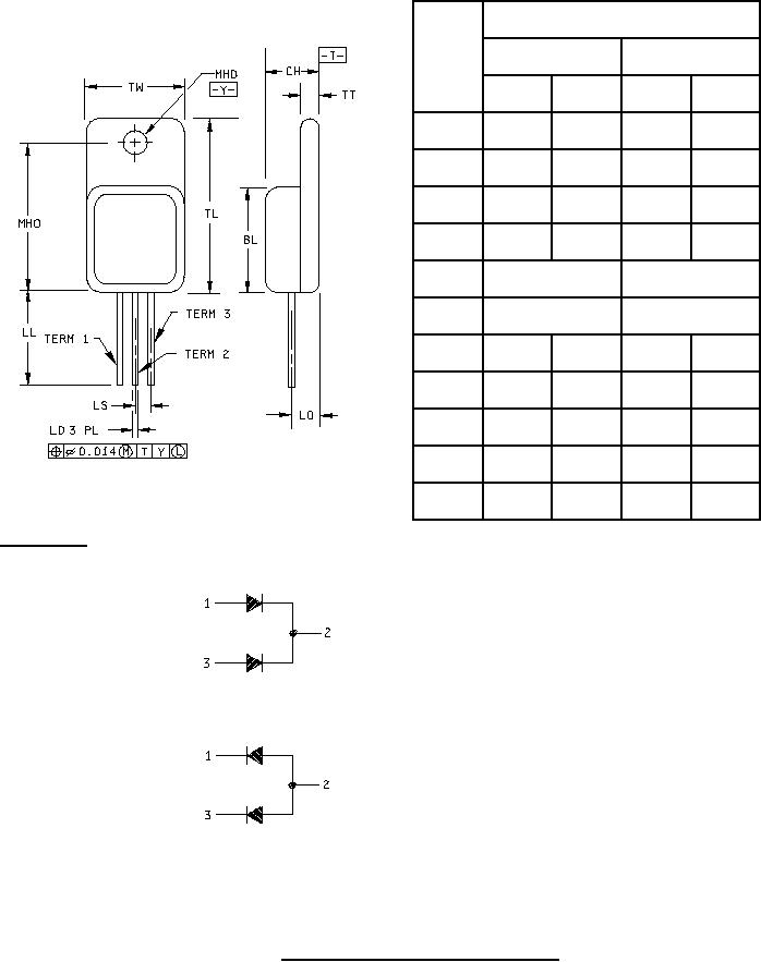
Dimensions
Ltr
Inches
Millimeters
Min
Max
Min
Max
BL
.535
.545
13.59
13.84
CH
.249
.260
6.32
6.60
LD
.035
.045
0.89
1.14
LL
.530
.550
13.46
13.97
LO
.150 BSC
3.81 BSC
LS
.150 BSC
3.81 BSC
MHD
.139
.149
3.53
3.78
MHO
.665
.685
16.89
17.40
TL
.790
.800
20.07
20.32
TT
.040
.050
1.02
1.27
TW
.535
.545
13.59
13.84
SCHEMATIC
1N6672, 1N6673, 1N6674
|───O2
TERM 1 = ANODE 1
TERM 2 = CATHODE
|
3 O ──┼─┘
TERM 3 = ANODE 2
1N6672R, 1N6673R, 1N6674R
TERM 1 = CATHODE 1
TERM 2 = ANODE
TERM 3 = CATHODE 2
NOTES:
1. Dimensions are in inches.
2. Millimeters given for general information only.
3. All terminals are isolated from case.
4. In accordance with ASME Y14.5M, diameters are equivalent to x symbology.
FIGURE 1. Dimensions and configuration (TO-254AA).
2
For Parts Inquires call Parts Hangar, Inc (727) 493-0744
© Copyright 2015 Integrated Publishing, Inc.
A Service Disabled Veteran Owned Small Business