
MIL-PRF-19500/368M
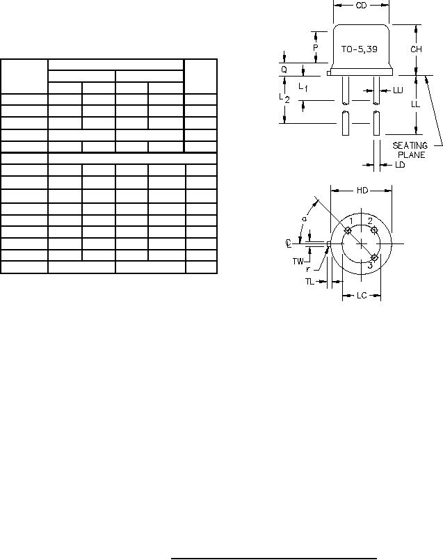
Dimensions
Symbol
Inches
Millimeters
Note
Min
Max
Min
Max
CD
.305
.335
7.75
8.51
6
CH
.240
.260
6.10
6.60
HD
.335
.370
8.51
9.40
LC
.200 TP
5.08 TP
7
LD
.016
.019
0.41
0.48
8,9
LL
See note 14
LU
.016
.019
0.41
0.48
8,9
L1
.050
1.27
8,9
L2
.250
6.35
8,9
P
.100
2.54
7
Q
.030
0.76
5
TL
.029
.045
0.74
1.14
3,4
TW
.028
.034
0.71
0.86
3
r
.010
0.25
10
α
45° TP
45° TP
7
NOTES:
1. Dimensions are in inches.
2. Millimeters are given for general information only.
3. Beyond r (radius) maximum, TW shall be held for a minimum length of .011 (0.28 mm).
4. Dimension TL measured from maximum HD.
5. Body contour optional within zone defined by HD, CD, and Q.
6. CD shall not vary more than .010 inch (0.25 mm) in zone P. This zone is controlled for automatic handling.
7. Leads at gauge plane .054 +.001 -.000 inch (1.37 +0.03 -0.00 mm) below seating plane shall be within .007
inch (0.18 mm) radius of true position (TP) at maximum material condition (MMC) relative to tab at MMC.
The device may be measured by direct methods or by gauging procedure.
8. Dimension LU applies between L1 and L2. Dimension LD applies between L2 and LL minimum. Diameter is
uncontrolled in and beyond LL minimum.
9. All three leads.
10. The collector shall be internally connected to the case.
11. Dimension r (radius) applies to both inside corners of tab.
12. In accordance with ASME Y14.5M, diameters are equivalent to Φx symbology.
13. Lead 1 = emitter, lead 2 = base, lead 3 = collector.
14. For transistor types 2N3439L and 2N3440L (T0-5), dimension LL = 1.5 inches (38.10 mm) min. and 1.75
inches (44.45 mm) max. For transistor types 2N3439 and 2N3440 (T0-39), dimension LL = .5 inch (12.70
mm) min. and .750 inch (19.05 mm) max.
FIGURE 1. Physical dimensions (similar to TO-5 and TO-39).
3
For Parts Inquires call Parts Hangar, Inc (727) 493-0744
© Copyright 2015 Integrated Publishing, Inc.
A Service Disabled Veteran Owned Small Business