
MIL-PRF-19500/368M
UA
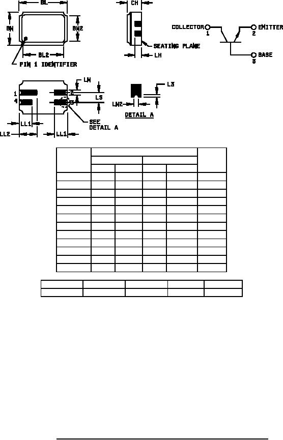
Dimensions
Symbol
Inches
Millimeters
Note
Min
Max
Min
Max
BL
.215
.225
5.46
5.71
BL2
.225
5.71
BW
.145
.155
3.68
3.93
BW2
.155
3.93
CH
.061
.075
1.55
1.90
3
L3
.003
0.08
5
LH
.029
.042
0.74
1.07
LL1
.032
.048
0.81
1.22
LL2
.072
.088
1.83
2.23
LS
.045
.055
1.14
1.39
LW
.022
.028
0.56
0.71
LW2
.006
.022
0.15
0.56
5
Pin no.
1
2
3
4
Transistor
Collector
Emitter
Base
N/C
NOTES:
1. Dimensions are in inches.
2. Millimeters are given for general information only.
3. Dimension "CH" controls the overall package thickness. When a window lid is used, dimension "CH" must
increase by a minimum of .010 inch (0.254 mm) and a maximum of .040 inch (1.020 mm).
4. The corner shape (square, notch, radius, etc.) may vary at the manufacturer's option, from that shown on the
drawing.
* 5. Dimensions " LW2" minimum and "L3" minimum and the appropriate castellation length define an unobstructed
three-dimensional space traversing all of the ceramic layers in which a castellation was designed.
(Castellations are required on bottom two layers, optional on top ceramic layer.) Dimension " LW2" maximum
define the maximum width and depth of the castellation at any point on its surface.
Measurement of these dimensions may be made prior to solder dipping.
6. The coplanarity deviation of all terminal contact points, as defined by the device seating plane, shall not exceed
.006 inch (0.15mm) for solder dipped leadless chip carriers.
7. In accordance with ASME Y14.5M, diameters are equivalent to φx symbology.
* FIGURE 3. Physical dimensions, surface mount (2N3439UA, 2N3440UA) version.
5
For Parts Inquires call Parts Hangar, Inc (727) 493-0744
© Copyright 2015 Integrated Publishing, Inc.
A Service Disabled Veteran Owned Small Business