
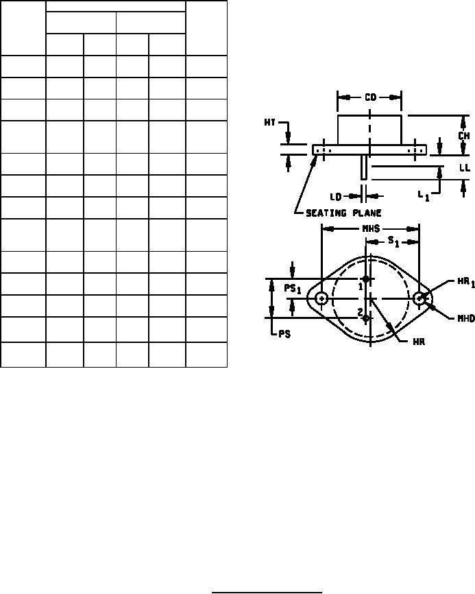
MIL-PRF-19500/413F
Dimension
Notes
Ltr
Inches
Millimeters
Min
Max
Min
Max
CH
.270
.380
6.86
9.65
CD
.875
22.22
HR
.495
.525
12.57
13.33
HR1
.131
.188
3.33
4.78
HT
.060
.135
1.52
3.43
LD
.038
.053
0.97
1.35
7
LL
.312
.500
7.92
12.70
7
L1
.050
1.27
7
MHD
.151
.165
3.84
4.19
MHS
1.177
1.197 29.90
30.40
PS
.420
.440
10.67
11.18
4
.205
.225
5.21
5.72
4
PS1
.655
.675
16.64
17.15
S1
NOTES:
1.
Dimensions are in inches.
2.
Millimeters are given for general information only.
3.
Terminal 1 is base; terminal 2 is emitter; case is collector.
4.
These dimensions should be measured at points .050 - .055 inch (1.27 mm - 1.40 mm) below seating plane.
When gauge is not used, measurement will be made at seating plane.
* 5.
The seating place of the header shall be flat within .004 inch (0.102 mm) inside a .930 inch (23.62 mm)
diameter circle on the center of the header and flat within .004 inch (0.102 mm) concave to .006 inch
(0.15 mm)
convex overall.
6.
Collector shall be electrically connected to the case.
LD applies between L1 and LL. Lead diameter shall not exceed twice LD within L1.
7.
In accordance with ASME Y14.5M, diameters are equivalent to φx symbology.
8.
* FIGURE 1. Physical dimensions, TO-3.
3
For Parts Inquires call Parts Hangar, Inc (727) 493-0744
© Copyright 2015 Integrated Publishing, Inc.
A Service Disabled Veteran Owned Small Business