
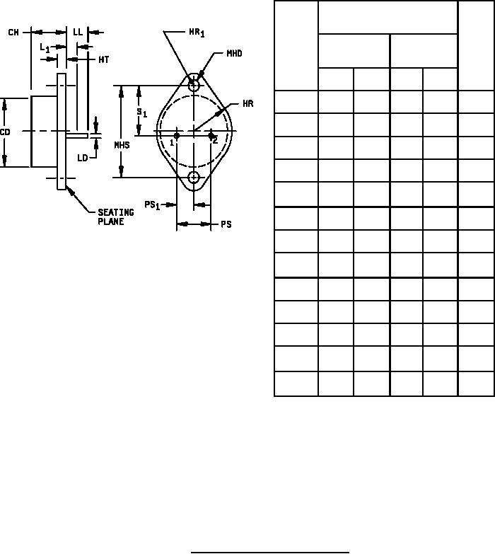
MIL-PRF-19500/488E
Dimensions
Symbol
Notes
Inches
Millimeters
Min
Max
Min
Max
CD
.875
22.23
CH
.250
.450
6.35
11.43
HT
.050
.135
1.27
3.43
HR
.495
.525
12.57
13.34
.131
.188
3.33
4.78
HR1
LD
.038
.043
0.97
1.09
7
LL
.312
7.92
.050
1.27
L1
MHD
.151
.161
3.84
4.09
MHS
1.177
1.197
29.90
30.40
PS
.420
.440
10.67
11.18
4
.205
.225
5.21
5.72
4
PS1
.655
.675 16.64 17.15
s1
NOTES:
1. Dimensions are in inches.
2. Millimeters are given for general information only.
3. Terminal 1, emitter; terminal 2,base; case, collector.
4. These dimensions should be measured at points .050-.055 inch (1.27-1.40 mm) below seating plane. When
gauge is not used, measurement will be made at the seating plane.
5. The seating plane of the header shall be flat within .004 inch (0.10 mm) concave to .004 inch (0.10 mm) convex
inside a .930 inch (23.62 mm) diameter circle on the center of the header and flat within .006 inch (0.15 mm)
concave to .006 inch (0.15 mm) convex overall.
6. Collector shall be electrically connected to the case.
7. LD applies between L1 and LL. Lead diameter shall not exceed twice LD within L1.
8. In accordance with ASME Y14.5M, diameters are equivalent to x symbology.
FIGURE 1. Physical dimensions (similar to TO-3).
2
For Parts Inquires call Parts Hangar, Inc (727) 493-0744
© Copyright 2015 Integrated Publishing, Inc.
A Service Disabled Veteran Owned Small Business