'ÚÄÄÄÄÄÄÄÄÄÄÄÄÄÄÄÄÄÄÄÄÄÄÄÄÄÄÄÄÄÄÄÄÄÄÄÄÄÄÄÄÄÄÄ¿ ÚÄÄÄÄÄÄÄÄÄÄÄÄ¿' by DLA - Page 3 of 31
MIL-PRF-19500/559K
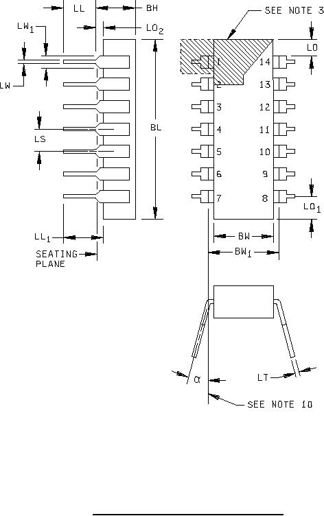
FIGURE 1. Dimensions and configuration for type 2N6989.
3
For Parts Inquires call
Parts Hangar, Inc (727) 493-0744
© Copyright 2015 Integrated Publishing, Inc.
A Service Disabled Veteran Owned Small Business