'ÚÄÄÄÄÄÄÄÄÄÄÄÄÄÄÄÄÄÄÄÄÄÄÄÄÄÄÄÄÄÄÄÄÄÄÄÄÄÄÄÄÄÄÄ¿ ÚÄÄÄÄÄÄÄÄÄÄÄÄ¿' by DLA - Page 5 of 31
MIL-PRF-19500/559K
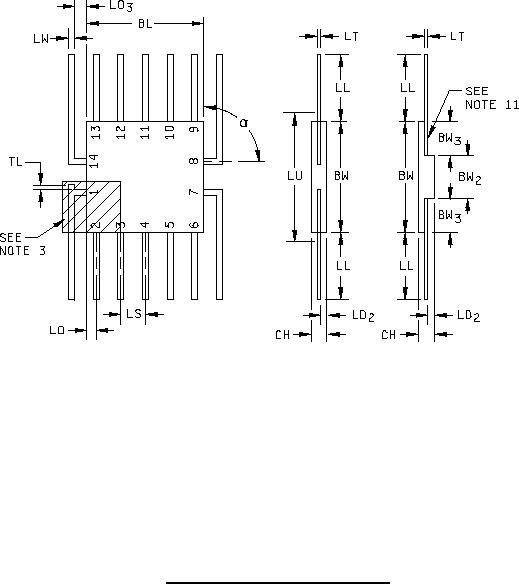
FIGURE 2. Physical dimensions for type 2N6990.
5
For Parts Inquires call
Parts Hangar, Inc (727) 493-0744
© Copyright 2015 Integrated Publishing, Inc.
A Service Disabled Veteran Owned Small Business