
MIL-PRF-19500/115N
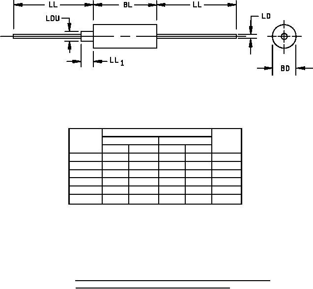
Dimensions
Symbol
Notes
Inches
Millimeters
Min
Max
Min
Max
BD
.215
.265
5.46
6.73
3
BL
.195
.350
4.96
8.89
LD
.026
.035
0.66
0.89
4
LDU
.110
2.79
LL
1.000
25.40
LL1
.21
5.33
NOTES:
1. Dimensions are in inches.
2. Millimeter equivalents are given for general information only.
3. Dimension BD shall be measured at the largest diameter.
4. Cathode lead shall be electrically connected to the case. If tubulation is used, it shall be on the
anode end.
5. In accordance with ASME Y14.5M, diameters are equivalent to x symbology.
FIGURE 1. Physical dimensions types 1N3821A, C, D through 1N3828A, C, D
and 1N3016B, C, D through 1N3051B, C, D (DO-13).
3
For Parts Inquires call Parts Hangar, Inc (727) 493-0744
© Copyright 2015 Integrated Publishing, Inc.
A Service Disabled Veteran Owned Small Business