
MIL-PRF-19500/115N
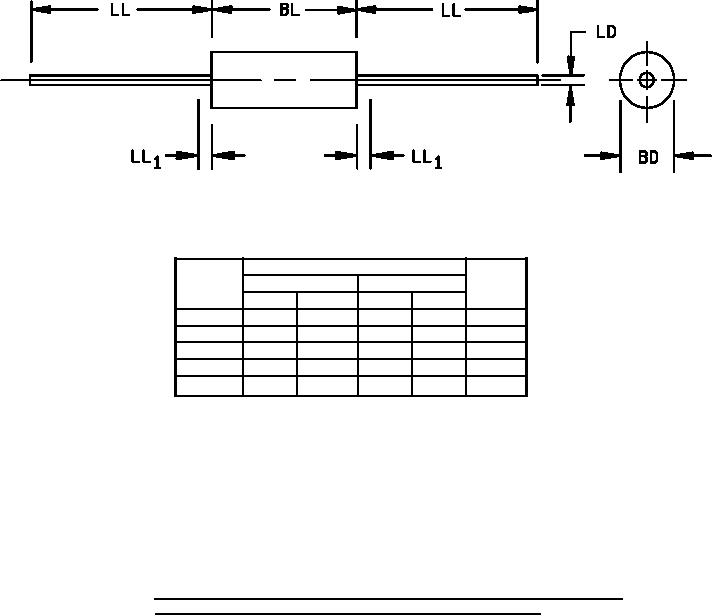
Dimensions
Symbol
Notes
Inches
Millimeters
Min
Max
Min
Max
BD
.080
.107
2.03
2.72
3
BL
.160
.205
4.06
5.21
3
LD
.028
.034
0.71
0.86
LL
1.000
25.40
LL1
.50
12.7
4
NOTES:
1. Dimensions are in inches.
2. Millimeter equivalents are given for general information only.
3. Package contour optional within BD and length BL. Heat slugs, if any, shall be
included within this cylinder but shall not be subject to minimum limit of BD.
4. Within this zone lead, diameter may vary to allow for lead finishes and irregularities
other than heat slugs.
5. In accordance with ASME Y14.5M, diameters are equivalent to x symbology.
FIGURE 2. Physical dimensions types 1N3821A-1, C-1, D-1 through 1N3828A-1, C-1, D-1
and 1N3016B-1, C-1, D-1 through 1N3051B-1, C-1, D-1 (DO-41).
4
For Parts Inquires call Parts Hangar, Inc (727) 493-0744
© Copyright 2015 Integrated Publishing, Inc.
A Service Disabled Veteran Owned Small Business