
MIL-PRF-19500/115N
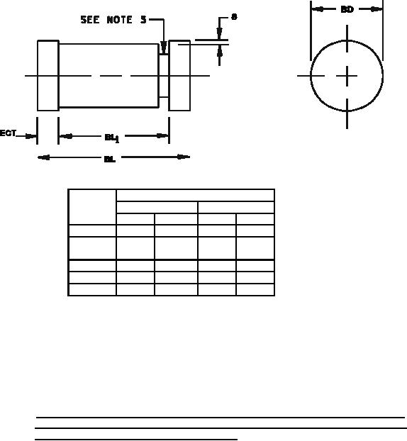
Dimensions
Symbol
Inches
Millimeters
Min
Max
Min
Max
BD
.094
.105
2.39
2.67
BL1
.159
4.04
(Ref.)
(Ref.)
BL
.189
.205
4.80
5.21
ECT
.014
.022
0.360
0.560
S
.001
0.030
NOTES:
1. Dimensions are in inches.
2. Millimeters are given for general information only.
3. Gap not controlled, shape of body and gap not controlled.
4. In accordance with ASME Y14.5M, diameters are equivalent to x symbology.
FIGURE 3. Physical dimensions of surface mount family types 1N3821AUR-1, CUR-1, and DUR-1
through 1N3828AUR-1, CUR-1, DUR-1 and 1N3016BUR-1, CUR-1 and DUR-1 through
1N3051BUR-1, CUR-1 and DUR-1 (DO-213AB).
5
For Parts Inquires call Parts Hangar, Inc (727) 493-0744
© Copyright 2015 Integrated Publishing, Inc.
A Service Disabled Veteran Owned Small Business