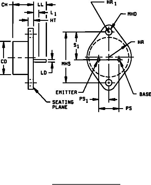
MIL-PRF-19500-525 Semiconductor Device, Transistor, Npn, Silicon, Power Types 2N6546, 2N6546T1, 2N6546T3, 2N6547, 2N6547T1, And 2N6547T3 Jan, Jantx, Jantxv6 And JanhcThis specification covers the performance requirements for NPN, silicon, power transistors. Three levels of product assurance are provided for each device type as specified in MIL-PRF-19500.